Toshiba Driver per motori passo-passo da 40V e 50V
I driver per motori passo-passo Toshiba da 40 V e 50 V sono compatti, completamente integrati e adatti a varie applicazioni industriali come stampanti e macchine CNC. I driver Toshiba offrono un controllo preciso con opzioni di micro-stepping, incluse funzionalità come una pompa di carica integrata e un sistema avanzato di rilevamento della corrente (ACDS) per un controllo efficace del motore. Gli allarmi di rilevamento degli errori avvisano gli host esterni in caso di condizioni di guasto.Caratteristiche
- driver per motori passo-passo da 40V e 50V completamente integrati
- Ampio intervallo di funzionamento, da 4,5V a 34V per i driver da 40V, da 8,2V a 44V per i driver da 50V
- Intervallo da 1,5A a 3,0A
- Decadimento misto dinamico avanzato (ADMD)
- Sistema avanzato di rilevamento della corrente (ACDS)
- Non è necessario un condensatore della pompa di carica
- Avviso di guasto
- Pacchetti QFN24 4mm x 4mm, QFN32 5mm x 5mm e HTSSOP28
Applicazioni
- Stampanti
- Stampanti 3D
- Macchine CNC
- Attuatori
- Automazione
- Robotica
- Distributori automatici
- Sportelli Bancomat
- Macchine da gioco
- Apparecchiature industriali
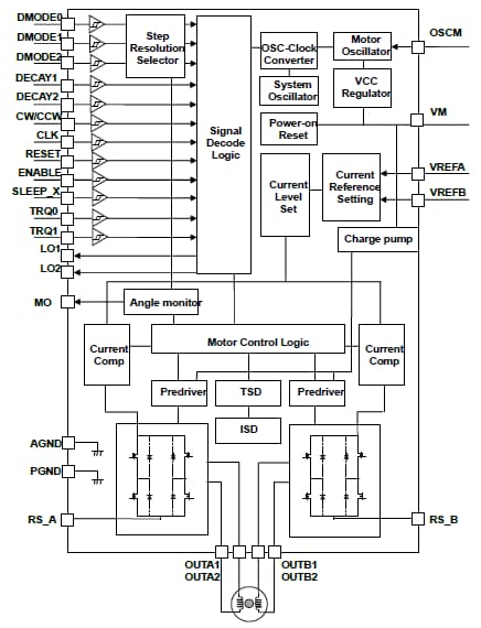
Diagramma a blocchi
Video
View Results ( 3 ) Page
| Codice prodotto | Scheda dati | Descrizione |
|---|---|---|
| TB67H481FTG | Controller e driver per motori/moto/accensione Brushed Motor Drivers, 2-Ch, 50V, 2.5A, Clock Input, QFN32 5x5 package | |
| TB67S569FTG | Controller e driver per motori/moto/accensione Stepper Motor Driver, 40V, 2A, 1/32 microstepping, Clock Input, QFN32 5x5 package | |
| TB67S589FTG | Controller e driver per motori/moto/accensione Stepper Motor Driver, 50V, 3A, 1/32 microstepping, Clock Input, QFN32 5x5 package |
Pubblicato: 2024-01-15
| Aggiornato: 2025-12-05
