Texas Instruments Modulo di valutazione ISOW7741DFMEVM
Il modulo di valutazione ISOW7741DFMEVM di Texas Instruments è progettato per dimostrare rapidamente e facilmente l'ISOW774x in un package SOIC WB a 20 pin (Codice package DFM). ISOW774x è un isolatore digitale rinforzato da 5000 VRMS ad alte prestazioni a quattro canali con convertitore CC-CC integrato ad alta efficienza e a basse emissioni.Caratteristiche
- Isolatori digitali a quattro canali rinforzati da 5000 VRMS ad alte prestazioni con convertitore CC-CC integrato ad alta efficienza e a basse emissioni
- Ingressi di alimentazione IO e CC/CC separati
- Ampio intervallo di alimentazione e traslazione di livello da 1,71 V a 5,5 V per IO
- Alta velocità di trasmissione: fino a 100 Mbps
- Durata della barriera di isolamento: >40 anni
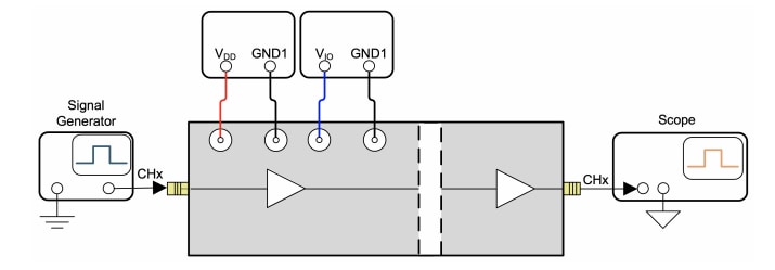
Configurazione test tipica
Layout
Pubblicato: 2021-01-07
| Aggiornato: 2022-08-26
