Texas Instruments Isolatori digitali a quattro canali ISOW774x/ISOW774x-Q1
Gli isolatori digitali a quattro canali ISOW774x/ISOW774x-Q1 di Texas Instruments sono isolati galvanicamente con un convertitore di potenza ad alta efficienza integrato che produce basse emissioni. Il convertitore CC-CC integrato supporta fino a 550 mW di potenza isolata, eliminando la necessità di un alimentatore isolato separato in progetti isolati con limitazioni di spazio. Gli isolatori digitali a quattro canali ISOW774x/ISOW774x-Q1 di TI presentano un'elevata immunità elettromagnetica isolando I/O digitali CMOS o LVCMOS. Gli isolatori aiutano a evitare che correnti rumorose sui bus dati, come UART, SPI, RS-485, RS-232, CAN o altri circuiti, entrino nella messa a terra locale e interferiscano o danneggino i circuiti sensibili. ISOW774x/ISOW774x-Q1 è alloggiato in un package DFM SOIC a corpo largo (SOIC-WB) a 20 pin e consente il funzionamento in un ampio intervallo di temperature ambientali di esercizio, da –40°C a +125°C.Caratteristiche
- Omologati per applicazioni per il settore automobilistico
- Certificato AEC-Q100 con i seguenti risultati:
- Intervallo di temperatura ambiente di grado 1 da -40 °C a +125 °C
- Convertitore CC-CC integrato a basse emissioni e basso rumore
- Emissione ottimizzata per soddisfare CISPR 32 ed EN 55032 classe B con margine >5 dB sulla scheda a 2 strati
- Convertitore a potenza a bassa frequenza a 25 MHz che consente prestazioni con basso rumore
- Basso ripple di uscita da 24 mV
- Potenza di uscita ad alta efficienza
- Efficienza del 46% con carico massimo
- Potenza di uscita fino a 0,55 W
- Precisione VISOOUT del 5%
- Da 5 V a 5 V: corrente di carico disponibile max. = 110 mA
- Da 5 V a 3,3 V: corrente di carico disponibile max. = 140 mA
- Da 3,3 V a 3,3 V: corrente di carico disponibile max. = 60 mA
- Alimentazione indipendente per isolatore di canale e convertitore di potenza
- Alimentazione logica (VIO) da 1,71 V a 5,5 V
- Alimentazione del convertitore (VDD) da 3 V a 5,5 V
- Velocità di trasmissione dati 100 Mbps
- Compatibilità elettromagnetica robusta (EMC)
- Livello di sistema ESD, EFT e immunità sovratensione
- Protezione da scariche a contatto ±8 kV IEC 61000-4-2 mediante la barriera di isolamento
- Opzioni di isolamento di base e rinforzate
- CMTI elevato di 100 kV/µs (tipico)
- Certificazioni correlate alla sicurezza (pianificate):
- Isolamento di base e rinforzato VDE per VDE DIN V 0884-11:2017-01
- Programma di riconoscimento dei componenti UL 1577
- Certificazioni IEC 62368-1, IEC 61010-1, IEC 60601-1 e GB 4943.1-2011
- Intervallo di temperatura esteso da -40 °C a +125 °C
- Package SOIC a corpo largo da 20 pin
Applicazioni
- Automazione industriale
- Controllo motori
- Infrastrutture di rete
- Apparecchiature mediche
- Apparecchiature per test e misurazioni
Video
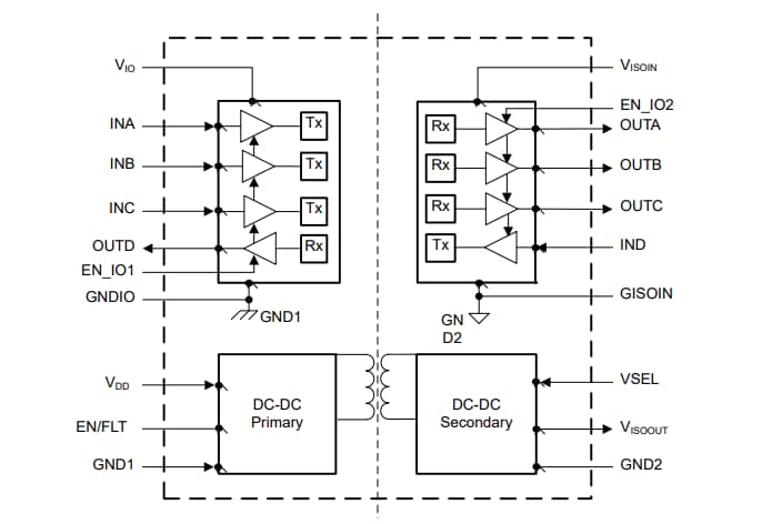
Schema semplificato
Scheda dati
Pubblicato: 2022-03-31
| Aggiornato: 2023-05-17
