STMicroelectronics Ponte di potenza GaN ad alta densità GANSPIN611
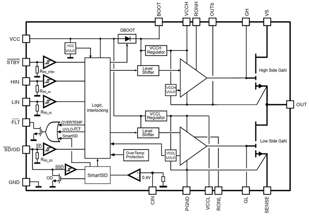
La half-bridge ad alta densità di potenza GANSPIN611 di STMicroelectronics è un avanzato sistema di alimentazione integrato in un unico package che integra due transistori GaN in modalità di miglioramento in una configurazione half-bridge, comandati da un driver di gate ad alta frequenza e ad alta tensione di ultima generazione. I GaN di potenza integrati hanno un RDS(ON) di 138 mΩ e una tensione di rottura drain-source di 650 V, mentre il diodo bootstrap integrato può facilmente alimentare la parte alta del driver di gate integrato.Il GANSPIN611, progettato per il controllo del movimento, ottimizza l'uscita dV/dt a 10V/ns (tip.) per l'accensione/spegnimento rapido. Questa funzionalità è necessaria nel controllo del motore per l'EMI, l'avvolgimento del motore e l'affidabilità del cuscinetto a sfera. La robustezza e l'affidabilità sono anche fattori distintivi della serie GaNSPIN. I dispositivi GaNSPIN, che integrano protezioni avanzate, garantiscono la robustezza ideale del sistema. La protezione da sovracorrente SmartShutdown garantisce una risposta rapida grazie alla logica integrata e ai comparatori dedicati ad alta velocità.
Il GANSPIN611 di STMicroelectronics è disponibile in un compatto package QFN di 9 mm x 9 mm x 1 mm e funziona all'interno dell'intervallo di temperatura industriale da -40 °C a +125 °C. Il GaNSPIN611 è pin-to-pin con il GaNSPIN612 [RDS(ON) di 270mΩ] per massimizzare la scalabilità in un approccio basato sulla piattaforma.
Caratteristiche
- Famiglia di sistemi di pacchetto integrati che integrano transistori GaN ad alto voltaggio in una configurazione a ponte con un driver di gate ad alto voltaggio
- RDS(ON) = 138mΩ
- IDS(MAX) = 10 A
- Capacità di conduzione inversa e perdita di recupero inverso pari a zero
- 10V/ns (tip.) dV/dt in uscita sia in modalità hard-on che hard-off, studiato per il controllo del motore
- Regolatori lineari per regolare la tensione di alimentazione del driver lato alto e lato basso
- Dalla funzione dV/dt di accensione regolabile esternamente
- Diodo interno bootstrap
- Comparatore per il rilevamento della sovracorrente con funzione di arresto intelligente
- UVLO protection on VCC, VHS, and VLS
- Funzione di bloccaggio, arresto, standby e pin guasto
- Driver gate 55 ns che porta ad un ritardo di propagazione dell'uscita complessivo di 150 ns (tip.)
- Input compatibile da 3,3 V a 20 V con isteresi e pull-down
Applicazioni
- Elettrodomestici
- Compressori
- Pompe
- Ventole
- Elettrodomestici per la cura personale
- Automazione industriale
- Drive
- Utensili elettrici
Diagramma a blocchi
