ROHM Semiconductor Convertitore CC/CC di tipo PWM BM2P095F
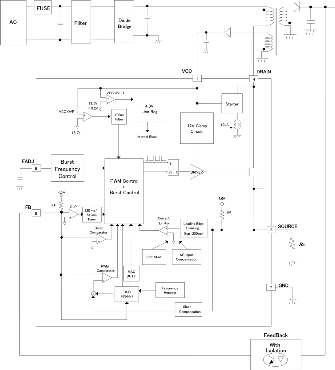
Il convertitore CC/CC di tipo PWM BM2P095F di ROHM Semiconductor presenta un MOSFET di commutazione integrato di 650 V e un circuito di base di 650 V per un basso consumo energetico. Questo convertitore supporta dispositivi isolati e non isolati e consente una progettazione più semplice di vari tipi di convertitori elettrici a bassa potenza. Il convertitore BM2P095F fornisce un sistema ottimale per tutti i prodotti che includono una presa elettrica. Questo convertitore offre circuito di protezione da aperto, protezione da cortocircuito e protezione da sovracorrente per ciclo, avviamento progressivo e circuito secondario di protezione da sovracorrente. Il convertitore BM2P095F opera a un intervallo di temperatura da° -40 °C a 105° °C, corrente normale di 0,50 mA, scarica di corrente di 0,30 mA e frequenza di oscillazione di 65 kHz. Le applicazioni tipiche includono aspirapolvere, umidificatori, depuratori, condizionatori, riscaldatori per cucine IH e cuociriso.Caratteristiche
- Controllo in modalità di corrente PWM
- Funzionamento burst quando il carico è leggero
- Funzione di riduzione della frequenza
- Protezione contro la sottotensione dei pin VCC
- Protezione contro la sovratensione dei pin VCC
- Protezione di apertura pin SOURCE
- Protezione contro i cortocircuiti ai pin SOURCE
- Funzione di cancellazione del bordo di attacco pin SOURCE
- Circuito di protezione da sovracorrente per ciclo
- Avviamento progressivo
- Circuito secondario di protezione da sovracorrente
Specifiche
- Intervallo delle temperature di funzionamento: da −40 °C a +105 °C
- Corrente di funzionamento normale: 0,50 mA
- Corrente di funzionamento burst: 0,30 mA
- Frequenza PWM: 65 kHz
- Dissipazione di potenza: 0,56 W
Applicazioni
- Elettrodomestici:
- Aspirapolvere
- Umidificatori
- Depuratori
- Condizionatori d’aria
- Riscaldatori per cottura IH
- Cuociriso elettrici
- Adattatori CA
Circuito di applicazione
Diagramma a blocchi
Pubblicato: 2021-02-16
| Aggiornato: 2022-03-11
