ROHM Semiconductor Regolatori di tensione LDO BDxxGA3WEFJ/BDxxGA3WNUX
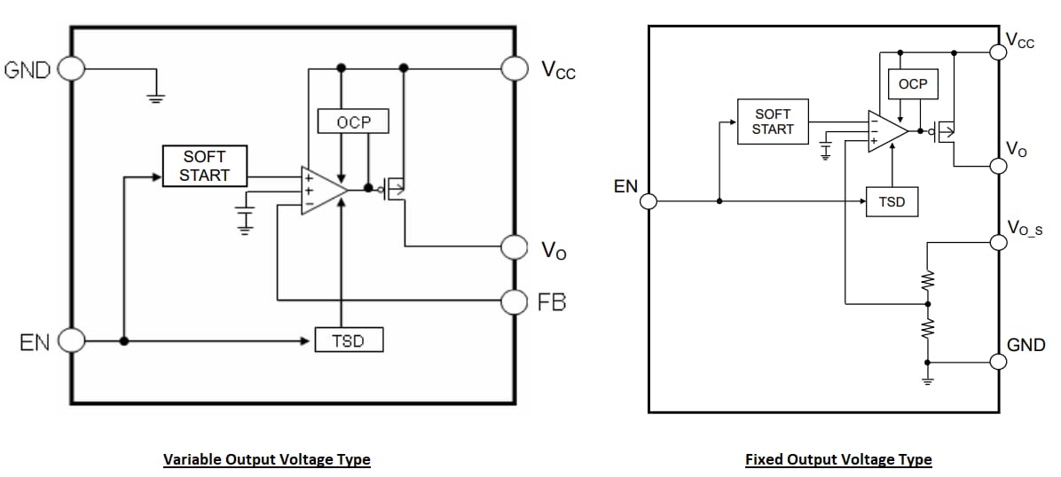
I regolatori di tensione LDO BDxxGA3WEFJ/BDxxGA3WNUX ROHM Semiconductor offrono una corrente di uscita di 300 mA. I regolatori di tensione presentano precisione di tensione di uscita dell'1%, modalità di spegnimento a µzero, protezione integrata contro le sovracorrenti (OCP) e circuito di esclusione termica (TSD) integrato. Questi regolatori di tensione LDO BDxxGA3WEFJ/BDxxGA3WNUX offrono dispositivi con tensione di uscita fissa e variabile. Il dispositivo a tensione di uscita variabile varia da 1,5 V a 13 V utilizzando resistori esterni. Questi regolatori LDO dispongono di vari dispositivi a tensione di uscita fissa che non utilizzano resistori esterni e che sono anche disponibili. I regolatori di tensione BDxxGA3WEFJ/BDxxGA3WNUX sono disponibili in package piccoli HTSOP-J8 (4,90 mm x 6 mm x 1 mm) e VSON008X2030 (2 mm x 3 mm x 0,60 mm). Questi regolatori LDO sono utilizzabili con condensatori in ceramica che consentono un layout più piccolo e una maggiore durata. I regolatori LDO sono utilizzati per una vasta gamma di applicazioni in apparecchiature digitali.±Caratteristiche
- Precisione tensione di uscita: ±1%
- Protezione contro le sovracorrenti integrata (OCP)
- Circuito di esclusione termica (TSD) integrato
- Modalità di spegnimento zero µA
Specifiche
- Intervallo di tensione di alimentazione in ingresso: da 4,5 V a 14 V
- Intervallo di tensione di uscita: da 1,5 V a 13 V (tipo variabile)
- Tensione di uscita: 1,5 V/1,8 V/2,5 V/3 V/3,3 V/5 V/6 V/7 V/8 V/9 V/10 V/12 V (tipo fisso)
- Corrente di uscita massima: 0,3 A
- Intervallo delle temperature di funzionamento: da -25 °C a +85 °C
- Package:
- HTSOP-J8 (EFJ): dimensioni 4,90 mm x 6 mm x 1 mm
- VSON008X2030 (NUX): dimensioni 2 mm x 3 mm x 0,60 mm
Diagramma a blocchi
Circuito tipico di applicazione
View Results ( 23 ) Page
| Codice prodotto | Scheda dati | Tensione di uscita | Corrente di uscita | Tipo di uscita | Pd - Dissipazione di potenza | Numero di uscite | Stile di montaggio |
|---|---|---|---|---|---|---|---|
| BD60GA3WEFJ-E2 | ![]() |
6 V | 300 mA | Fixed | 2.11 W | 1 Output | SMD/SMT |
| BD00GA3WEFJ-E2 | ![]() |
300 mA | Adjustable | 2.11 W | 1 Output | SMD/SMT | |
| BD80GA3WNUX-TR | ![]() |
8 V | 300 mA | Fixed | 1.7 W | 1 Output | SMD/SMT |
| BD15GA3WNUX-TR | ![]() |
1.5 V | 300 mA | Fixed | 1.7 W | 1 Output | SMD/SMT |
| BD25GA3WNUX-TR | ![]() |
2.5 V | 300 mA | Fixed | 1.7 W | 1 Output | SMD/SMT |
| BD80GA3WEFJ-E2 | ![]() |
8 V | 300 mA | Fixed | 2.11 W | 1 Output | SMD/SMT |
| BD90GA3WNUX-TR | ![]() |
9 V | 300 mA | Fixed | 1.7 W | 1 Output | SMD/SMT |
| BD18GA3WNUX-TR | ![]() |
1.8 V | 300 mA | Fixed | 1.7 W | 1 Output | SMD/SMT |
| BD33GA3WEFJ-E2 | ![]() |
3.3 V | 300 mA | Fixed | 2.11 W | 1 Output | SMD/SMT |
| BD50GA3WEFJ-E2 | ![]() |
5 V | 300 mA | Fixed | 2.11 W | 1 Output | SMD/SMT |
Pubblicato: 2021-05-04
| Aggiornato: 2022-03-11

