NXP Semiconductors Traslatori di livello a doppia tensione NVT4858
I traslatori di livello a doppia tensione bidirezionali NVT4858 di NXP Semiconductors sono progettati per interfacciarsi tra una memoria o una scheda SIM che operano tra livelli di segnale da 1,65 V a 3,6 V e un host con una tensione di alimentazione da 1,08 V a 1,95 V. I traslatori di livello a doppia tensione bidirezionale conformi a SD 3.0 con supporto di controllo della direzione automatico SD 3.0 SDR104, SDR50, DDR50, SDR25, SDR12, a modalità di Velocità predefinita (25 MHz) e di Alta velocità (50 MHz).I traslatori di livello a doppia tensione NVT4858 NXP presentano una funzione di autoabilitazione/disabilitazione collegata al pin di alimentazione VCCB, ai filtri EMI integrati e a una robusta protezione ESD (IEC 61000-4-2, livello 4) su VCCB o su uno dei pin laterali della scheda. Queste caratteristiche garantiscono che non siano necessari i diodi ESD esterni. Inoltre, l'NVT4858 supporta il traslatore di livello di tensione della scheda SIM utilizzando CLK e due linee dati per prese combinate di schede SD e SIM.
Caratteristiche
- Supporta velocità di orologio fino a 208 MHz
- Traslazione di tensione conforme alle specifiche SD 3.0 per supportare le modalità SDR104, SDR50, DDR50, SDR25, SDR12, ad Alta velocità e a Velocità predefinita
- Conforme a tutti i requisiti di interfaccia SIM/Smart Card ETSI, IMT-2000 e ISO-7816
- Supporta tensioni di alimentazione della scheda SD/SIM con un intervallo da 1,65 V a 3,6 V
- Intervallo di tensione di funzionamento del microcontroller host da 1,08 V a 1,95 V
- Canale di feedback per la sincronizzazione del clock
- Basso consumo energetico grazie allo stadio di uscita push-pull con architettura break-before-make
- Effettua l'abilitazione e la disabilitazione automaticamente tramite VCCB
- Resistori pull-up e pull-down integrati, non sono necessari resistori esterni
- I filtri EMI integrati sopprimono le armoniche più elevate degli I/O digitali
- Protezione ESD 8 kV integrata secondo IEC 61000-4-2, livello 4 su VCCB o uno dei pin laterali della scheda - non sono necessari diodi ESD esterni
- I buffer a spostamento di livello mantengono lo stress ESD lontano dall'host (concetto di blocco zero)
- Disponibile in XQFN16 con passo di 0,4 mm e WLCSP16 con passo di 0,35 mm
Applicazioni
- Smartphone
- Ricevitori portatili
- Fotocamere digitali
- Tablet
- Computer laptop
- Lettori di schede SD, MMC o microSD
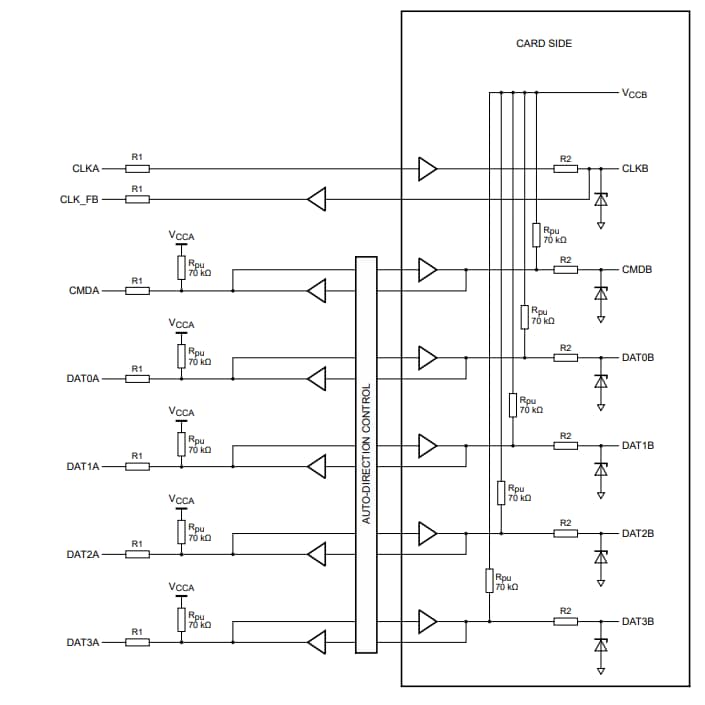
Schema a blocchi
Diagramma funzionale
Pubblicato: 2021-12-02
| Aggiornato: 2023-03-23
