IXYS SCR sensibili da 1,25 A Teccor® Sx02CSx
Gli SCR sensibili da 1,25 A Teccor® Sx02CSx di IXYS forniscono eccellenti interruttori unidirezionali per applicazioni di controllo di fase, tra cui il riscaldamento e i controlli della velocità del motore. Gli SCR di gate sensibili sono facilmente attivabili con microampere di corrente, come offerto da bobine di rilevamento, interruttori di prossimità e microprocessori.Le applicazioni tipiche sono sistemi di scarica capacitivi per luci stroboscopiche e accensione di motori a gas. Altre applicazioni includono controlli per utensili elettrici, elettrodomestici/TV.
Caratteristiche
- Conformità a RoHS
- Giunzioni passivate in vetro
- Capacità di tensione fino a 800 V
- Capacità di sovratensione fino a 20 A
Applicazioni
- Sistemi di scarica capacitivi per luci stroboscopiche e accensione di motori a gas
- Controlli per utensili elettrici, elettrodomestici/TV
Specifiche
- 1,25 A iT(RMS)
- 800 VDRM/VRRM
- Da 50 a 200 uA IGT
- Rth(JC) 60 °C/W
Schemi
Circuito di prova semplice
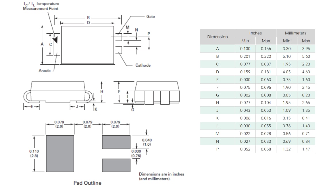
Dimensioni package-Compak (C Package)
Pubblicato: 2021-09-10
| Aggiornato: 2022-03-11
