Weidmuller Alimentatori su guida DIN PRO DM
Gli alimentatori su guida DIN PRO DM di Weidmüller sono progettati per collegare due alimentatori Weidmüller e compensare il guasto di un dispositivo. Questi moduli di capacità offrono riserve di potenza che consentono, ad esempio, l'attivazione rapida di un interruttore automatico. I moduli misurano 125 mm x 125 mm x 32 mm (P x A x L) e dispongono di un sistema di connessione a vite. Gli alimentatori sono montati orizzontalmente su una guida TS35 con 50 mm di spazio libero nella parte superiore e inferiore per consentire la circolazione dell'aria. Le unità possono essere montate una accanto all'altra senza spazio tra di loro. Gli alimentatori su guida DIN PRO DM di Weidmuller hanno una tensione di ingresso nominale di 24 V CC e un intervallo di temperatura di esercizio compreso tra -40 °C e +70 °C.Caratteristiche
- Sistema di connessione a vite
- Montaggio orizzontale su guida TS35 con 50 mm di distanza in alto e in basso per la circolazione dell'aria
- Può essere montato fianco a fianco senza spazio tra di loro
- Conforme a RoHS
Specifiche
- 125 mm x 125 mm x 32 mm (P x A x L)
- Tensione di ingresso nominale di 24VCC
- Intervallo della temperatura di funzionamento: da -40 °C a +70 °C
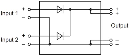
Diagramma a blocchi
Pubblicato: 2022-05-31
| Aggiornato: 2022-06-07
