Kit controllo motore per MCU Stellaris® DK-LM3S-DRV8312 Texas Instruments
Kit controllo motore per MCU Stellaris® DK-LM3S-DRV8312 Texas Instruments

Visualizza elenco prodotti

Risorse aggiuntive

Kit controllo motore per MCU Stellaris®
DK-LM3S-DRV8312 Texas Instruments

Il kit di controllo motore per microcontroller Stellaris® DK-LM3S-DRV8312 di Texas Instruments è una piattaforma di sviluppo per motori trifase brushless CC e CA. Il kit contiene un conveniente modulo controlCard basato su MCU Stellaris LM3S818 compatibile con altre piattaforme di controllo motore TI. Oltre alla rotazione immediata del motore, il kit TI DK-LM3S-DRV8312 è in grado di confermare i vantaggi operativi della soluzione di controllo motore BLDC InstaSPN, grazie alla regolazione semplificata, all'adattamento immediato dell'accelerazione, al funzionamento affidabile a bassa velocità e altro ancora. La soluzione Crosshairs inclusa consente di controllare e monitorare l'intera soluzione tramite un'applicazione per PC di facile uso il cui utilizzo può essere ampliato per le applicazioni finali.


Contenuto del kit
  • Modulo controlCARD MDL-LM3S818CNCD
    • Microcontroller Stellaris da 50 MHz ARM® Cortex® M3 LM3S818 con In-Circuit Debug Interface (ICDI) Stellaris incorporata
    • Fattore di forma DIMM a 100 pin collegabile
    • Isolamento automatico su collegamento di debug
  • Baseboard DRV8312 (scheda di azionamento motore 3P con TI integrato in grado di supportare fino a 52,5 V e 6,5 A)
  • Motore da 55 W NEMA17 BLDC/PMSM
  • Adattatore di potenza CC da 24 V 2,5 A, ingresso CA da 110-240 V, cavo di alimentazione USA
  • Cavo di collegamento da USB-miniB a USB-A (per comunicazioni seriali e debug)
  • CD del kit:
    • Documentazione completa
    • Utilità di programmazione Flash LM per aggiornamenti firmware
    • GUI Crosshairs
    • Codice sorgente applicabile
    • Schemi
  • Ambiente di sviluppo integrato (IDE) TI Code Composer Studio™

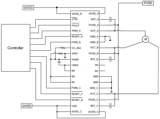
Diagramma di applicazione DRV8312

Diagramma di applicazione DRV8312

Diagramma a blocchi LM3S818

Diagramma a blocchi LM3S818
  • Texas Instruments
  • Industrial
  • Development Tools
Pubblicato: 2017-05-26 | Aggiornato: 2017-05-26