Texas Instruments Modulo di valutazione ULN2003ADYYEVM
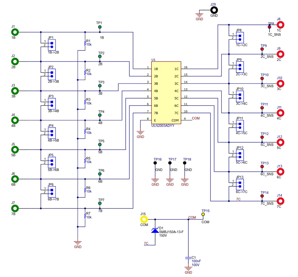
Il modulo di valutazione ULN2003ADYYEVM di Texas Instruments consente agli utenti di valutare tutte le prestazioni e funzionalità di ULN2003ADYY nel package DYY SOT-23-THIN. I transistor matrici Darlington ad alta tensione e corrente elevata ULN200xA/ULQ200xA comprendono sette coppie Darlington NPN che presentano uscite ad alta tensione con diodi di bloccaggio a catodo comune per la commutazione di carichi induttivi.Il TI ULN2003ADYYEVM è stato sviluppato per essere utilizzato come scheda autonoma con un alimentatore di tensione e un carico di uscita collegati. Questa scheda autonoma può provare e valutare l' ULN2003ADYY prima di progettarlo come parte del sistema di alimentazione di un'applicazione più significativa. L'ULN2003ADYYEVM è dotato dell'ULN2003ADYY SOT (versione DYY).
Caratteristiche
- Resistori di pull-down su ogni ingresso di controllo per assicurarsi che i segnali INx non siano fluttuanti
- Ponticelli per canali paralleli per una maggiore capacità di corrente
- Un diodo aggiuntivo è collegato da OUT7 a COM per sopprimere la tensione di rinculo di un carico induttivo che si eccita quando i driver NPN vengono disattivati su OUT7
Applicazioni
- Driver per relè
- Passo-passo e driver per motori a spazzole CC
- Driver per lampade
- Driver per display (LED e scarica di gas)
- Driver di linea
- Buffer logico
Schematico
Pubblicato: 2025-02-22
| Aggiornato: 2025-03-06
