Texas Instruments Driver MOSFET a valle UCD7100
Il driver MOSFET a valle UCD7100 di Texas Instruments è un driver compatibile con il controllo digitale per applicazioni che utilizzano la tecnologia di controllo digitale che richiede una rapida protezione del limite di corrente di picco locale. L'UCD7100 è un gate driver MOSFET a corrente elevata ±4 A a valle. Consente a controller di potenza digitali come l'UCD9110 o l'UCD9501 di interfacciarsi con lo stadio di potenza in topologie a terminazione singola. L'UCD7100 di Texas Instruments fornisce una funzione di limite di corrente ciclo per ciclo con una soglia programmabile e un indicatore di limite di corrente di uscita digitale che il controller host può monitorare. Con una protezione rapida del limite di corrente ciclo per ciclo di 25 ns, il driver può spegnere lo stadio di potenza nell'improbabile eventualità che il sistema digitale non risponda in tempo a una situazione di guasto.Caratteristiche
- Protezione del limite di corrente regolabile
- Regolatore interno 3,3 V, 10 mA
- Ingressi compatibili DSP/µC
- Singolo driver ad alta corrente TrueDrive™ ± 4 A
- Tempi di incremento e riduzione tipici di 10 ns con carichi di 2,2 nF
- Ritardo di propagazione da ingresso a uscita di 25 ns
- Rilevamento di corrente da 25 ns a ritardo di uscita
- Soglia di limite di corrente programmabile
- Indicatore di limite di corrente di uscita digitale
- Intervallo di tensione di alimentazione da 4,5 V a 15 V
- Da –40 °C a 105 °C
- Imballaggio senza piombo (Pb)
Applicazioni
- Alimentatori a controllo digitale
- Convertitori CC/CC
- Controller motori
- Driver di linea
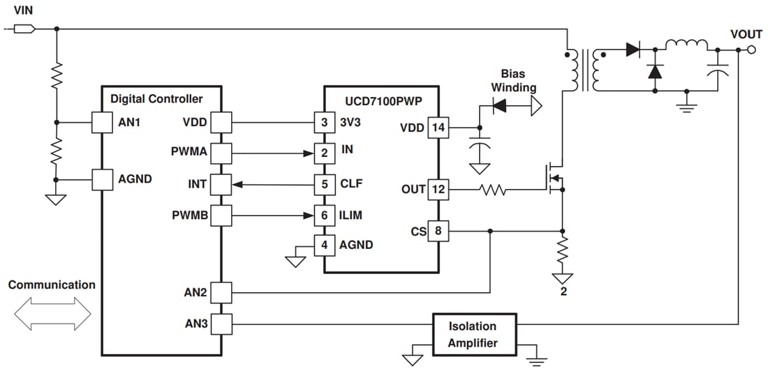
Schema semplificato
Pubblicato: 2022-02-01
| Aggiornato: 2022-03-11
