Texas Instruments Convertitore buck sincrono da 2 A TPS562211
Il convertitore buck sincrono da 2 A TPS562211 di Texas Instruments è una soluzione flessibile ed economica in un package SOT583. Il convertitore TPS562211 è dotato delle modalità selezionabili eco-mode o FCCM (modalità di conduzione continua forzata). Inoltre, utilizzando il pin MODE, è possibile configurare un indicatore selezionabile di alimentazione efficiente o un avvio progressivo esterno. TPS562211 consente il sequenziamento dell'alimentazione configurando correttamente l'attivazione, l'indicazione di alimentazione efficiente o l'avvio progressivo esterno. Un ampio intervallo di tensione di ingresso da 4,2 V a 18 V supporta una vasta gamma di guide di ingresso comuni, come 12 V e 15 V. Il dispositivo supporta fino a 2 A di corrente di uscita continua a tensioni di uscita comprese tra 0,6 V e 7 V.Il convertitore buck sincrono da 2 A TPS562211 di TI implementa una risposta transitoria rapida con una reale frequenza di commutazione fissa attraverso la topologia di controllo in modalità di corrente emulata avanzata (AECM). Grazie al controllo interno della larghezza di banda smart loop, TPS562211 fornisce una risposta transitoria rapida su un ampio intervallo di tensioni di uscita senza la necessità di compensazione esterna.
Un limite di corrente ciclo per ciclo sulla corrente di picco a monte protegge il convertitore in caso di sovraccarico. Questa funzione è potenziata da un limite di corrente a valle, che previene l'instabilità di corrente. La modalità a singhiozzo viene attivata in caso di protezione da sovratensione (OVP), protezione da sottotensione (UVP), protezione UVLO ed esclusione termica.
Il convertitore buck sincrono da 2 A TPS562211 è alloggiato in un package SOT583 da 1,6 mm × 2,1 mm.
Caratteristiche
- Tensione di ingresso da 4,2 V a 18 V
- Tensione di uscita da 0,6 V a 7 V
- Fino a 2 A di corrente di uscita continua
- Tempo minimo di accensione di 45 ns
- Ciclo di lavoro massimo: 98%
- Alta efficienza
- MOSFET integrati da 66 mΩ e 33 mΩ
- Corrente di riposo tipica: 120 μA
- Altamente flessibile e facile da usare
- Funzionamento modalità Eco o FCCM selezionabile
- Indicatore di alimentazione efficiente o avvio progressivo esterno selezionabili
- Ingresso di abilitazione preciso
- Alta precisione
- Precisione della tensione di riferimento: ±1% (25 °C)
- Tolleranza di frequenza di commutazione: ±8,5%
- Dimensioni ridotte
- Compensazione interna per facilità d'uso
- Package SOT583
- Componenti esterni minimi
- Limite di corrente ciclo per ciclo per MOSFET a monte e a valle
- Protezioni OVP, UVP, UVLO e TSD senza blocco
- Crea un design personalizzato utilizzando TPS562211 con il WEBENCH® Power Designer
Applicazioni
- Set Top Box (STB), TV digitale
- Altoparlante intelligente
- Reti cablate, banda larga
- Sorveglianza
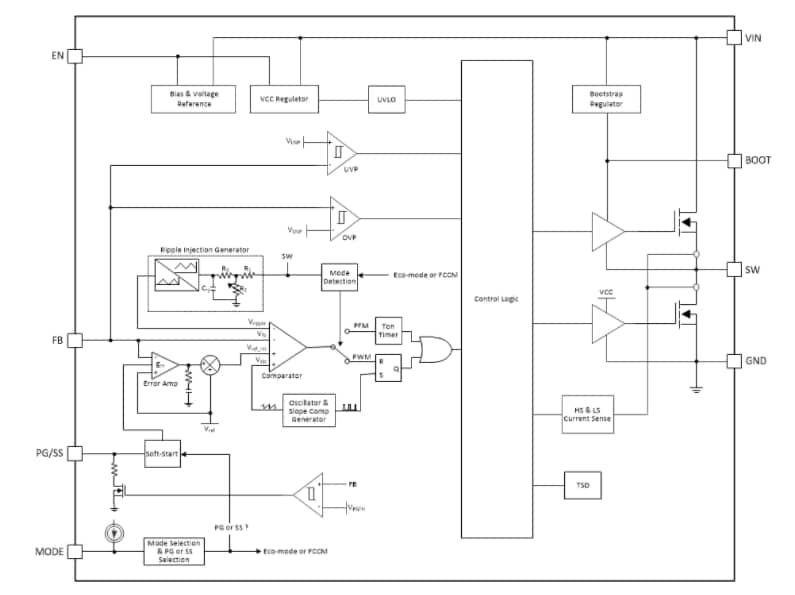
Schema a blocchi funzionale
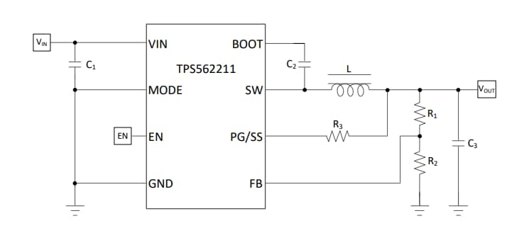
Schema semplificato
