Texas Instruments Convertitore buck sincrono TPS542A52
I convertitori buck sincroni TPS542A52 di Texas Instruments offrono un'elevata efficienza con rilevamento remoto differenziale. Questi dispositivi sono caratterizzati da una modalità di controllo della tensione a frequenza fissa con compensazione interna selezionabile tramite pin strap, per ridurre i costi e la complessità del sistema. Il PWM può essere sincronizzato con un clock esterno attraverso il pin di sincronizzazione.I convertitori buck sincroni TPS542A52 di TI includono anche altre caratteristiche fondamentali come PFM per un'elevata efficienza ai carichi leggeri, basso assorbimento di corrente di riposo allo spegnimento, UVLO regolabile tramite il pin EN e avvio monotonico in condizioni pre-polarizzate.
I convertitori buck TPS542A52 sono privi di piombo in un package VQFN da 4,5 mm × 4 mm e sono completamente conformi alla direttiva RoHS senza esenzione.
Caratteristiche
- I MOSFET integrati da 9,1 mΩ e 2,6 mΩ supportano fino a 15 A di corrente di uscita
- Intervallo tensione di uscita da 0,5 V a 5,5 V
- Modalità di controllo della tensione a frequenza fissa con compensazione interna selezionabile
- Sette impostazioni di frequenza selezionabili da 400 kHz a 2,2 MHz
- Sincronizzabile con un clock esterno
- Rilevamento remoto completamente differenziale
- Sei limiti di sovracorrente selezionabili, quattro velocità di risposta di avvio progressivo
- Avvio monotonico in uscite pre-polarizzate
- Pin EN che consente l'ingresso UVLO regolabile
- Indicatore di alimentazione ottimale
- Corrente di riposo di arresto tipica di 17 µA
- FCCM o PFM selezionabili per efficienza a carico leggero
- Intervallo di temperature di giunzione operative da -40 °C a +150 °C
- Pacchetto VQFN da 4 mm × 4,5 mm
- Crea un progetto personalizzato utilizzando TPS542A52 con WEBENCH® Power Designer
Applicazioni
- Comunicazioni wireless
- Potenza front-end analogico
- Apparecchiature di prova e misurazione
- Diagnostica per immagini
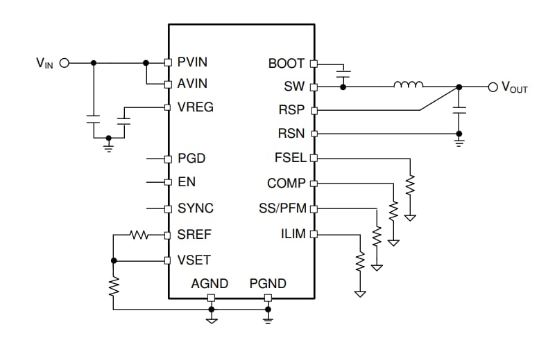
Schema semplificato
Pubblicato: 2020-12-22
| Aggiornato: 2024-10-24
