Texas Instruments Controller PWM multifase step-down TPS536C7B1
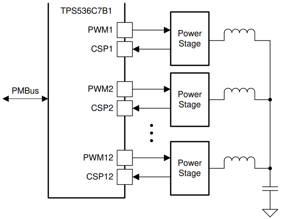
Il controller PWM multifase step-down TPS536C7B1 di Texas Instruments è dotato di due canali, memoria non volatile integrata (NVM) e interfaccia PMBus ed è completamente compatibile con gli stadi di potenza intelligenti NexFET™ di TI. Le funzioni di controllo avanzate, come l'architettura D-CAP+, forniscono una risposta transitoria rapida, bassa capacità di uscita e una buona ripartizione della corrente. Il dispositivo fornisce anche una nuova strategia di interlacciamento di fase e un ordine di attivazione flessibile. Sono inoltre supportati il controllo della velocità di risposta della tensione di uscita e il posizionamento della tensione. Il dispositivo supporta l'interfaccia di comunicazione PMBus per segnalare all'host di sistema la telemetria di tensione, corrente, potenza, temperatura e condizioni di guasto. Tutti i parametri programmabili possono essere configurati tramite l'interfaccia PMBus e memorizzati in NVM come nuovi valori predefiniti per ridurre al minimo il numero di componenti esterni. Il dispositivo TPS536C7B1 di Texas Instruments è offerto in un package QFN a 48 pin termicamente avanzato ed è classificato per funzionare da –40 °C a 125 °C.Caratteristiche
- Intervallo di tensione di ingresso da 4,5 V a 18 V
- Intervallo di tensione di uscita da 0,25 V a 5,5 V
- Intervallo di frequenze di commutazione di fase da 300 kHz a 2000 kHz
- Uscita doppia che supporta configurazioni di fase N+M (N+M ≤ 12, M ≤ 6)
- Interfaccia di sistema PMBus v1.3.1 per configurazione, controllo e telemetria di tensione, corrente, alimentazione, temperatura e stato di guasto
- Regolazione adattativa della tensione (AVS) tramite VOUT_COMMAND
- Controllo D-CAP+ avanzato per fornire prestazioni transitorie superiori con eccellente ripartizione della corrente dinamica
- Compensazione del circuito programmabile
- Ordine di attivazione di fase flessibile
- Fascia per pin esterna per c. Impostazioni di tensione di avviamento
- Calibrazione e reportistica della singola corrente di fase
- Gestione del bilanciamento termico (TBM) di fase
- Supporto completo per la riduzione dinamica della fase (DPS)
- Rapida aggiunta di fase per una riduzione del sottoutilizzo (USR)
- Frenatura corpo-diodo per la riduzione dei sovraccarichi (OSR)
- Configurazione senza driver per una commutazione efficiente ad alta frequenza
- Completamente compatibile con lo stadio di potenza NexFET™ TI per soluzioni ad alta densità
- Posizionamento della tensione adattativa accurato e programmabile (AVP)
- Bilanciamento di fase brevettato AutoBalance™
- Package QFN da 6 mm × 6 mm, 48 pin
Applicazioni
- Interruttori di rete datacenter
- Interruttori di campo e diramazione
- Router core ed edge
- Schede acceleratore hardware
- Alimentazione CPU/ASIC/FPGA ad alte prestazioni
Schema semplificato
Pubblicato: 2021-01-26
| Aggiornato: 2022-03-11
