Texas Instruments Controller digitali multifase step-down TPS53688
I controller multifase digitali step-down TPS53688 di Texas Instruments sono completamente VR13.Controller step-down conformi a HC SVID con due canali, memoria non volatile (NVM) integrata e interfaccia PmBus™. È completamente compatibile con gli stadi di potenza intelligenti NexFET™ TI. Le caratteristiche di controllo avanzate, come l'architettura D-CAP+™ con la riduzione dei tempi morti (USR), garantiscono una risposta transitoria rapida, una bassa capacità di uscita e una buona condivisione dinamica della corrente. Il dispositivo offre anche un'inedita strategia di interleaving di fase e un phase shedding dinamico per migliorare l'efficienza in tutte le condizioni di carico. Il controllo regolabile della velocità di rotazione della tensione di uscita e il posizionamento adattivo della tensione sono supportati in modo nativo.Inoltre, il TPS53688 di Texas Instruments supporta l'interfaccia di comunicazione PMBus per la segnalazione della telemetria di tensione, corrente, potenza, temperatura e condizioni di guasto al sistema host. Tutti i parametri programmabili possono essere configurati attraverso l'interfaccia PmBus e memorizzati nella NVM come nuovi valori predefiniti per ridurre al minimo il numero di componenti esterni. Il dispositivo TPS53688 è offerto in un pacchetto QFN a 40 pin termicamente potenziato ed è classificato per funzionare da -40°C a 125 °C.
Caratteristiche
- Gamma di tensione d'ingresso da 4,5 V a 17 V
- Gamma di tensione di uscita da 0,25 V a 5,5 V
- Intel® VR13.Conforme a HC SVID
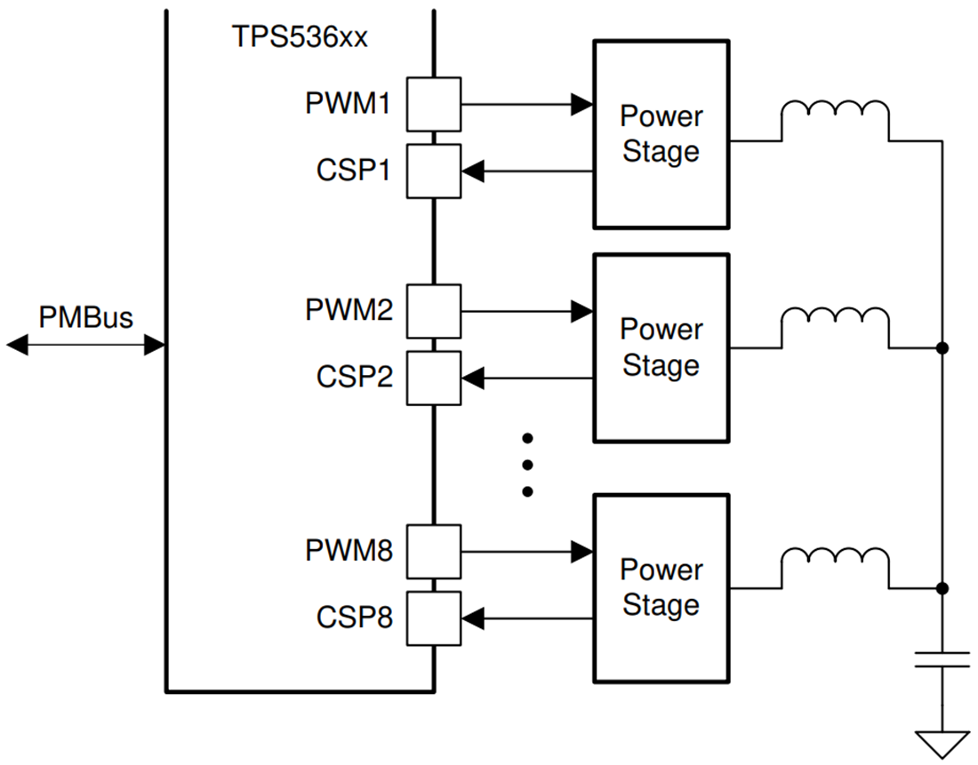
- Duplice uscita, che supporta configurazioni di fase N+M (N+M ≤ 8, M ≤ 4)
- Controllo D-CAP+™ avanzato per fornire prestazioni transitorie superiori con eccellente ripartizione della corrente dinamica
- Compensazione del circuito programmabile
- Ordine di attivazione di fase programmabile
- Calibrazione e reportistica della singola corrente di fase
- Riduzione di fase dinamica con soglie programmabili per ottimizzare l'efficienza a carichi leggeri e pesanti
- Rapida aggiunta di fase per una riduzione del sottoutilizzo (USR)
- Architettura PWM senza driver per una commutazione ad alta frequenza efficiente
- Completamente compatibile con lo stadio di potenza NextFET™ TI per soluzioni ad alta densità
- Posizionamento della tensione adattativa, e programmabile (AVP)
- Bilanciamento della corrente di fase AutoBalance™ brevettato
- Limite di corrente ciclo per fase
- Interfaccia di sistema PMBus™ v1.3.1 per la telemetria di tensione, corrente, alimentazione, temperatura e condizioni di guasto
- 5 mm × 5 mm, 40 pin, package QFN
Applicazioni
- Data center e server rack di calcolo aziendale
- Acceleratore hardware
- Scheda interfaccia di rete (NIC)
- ASIC e client ad alte prestazioni
Schema semplificato
Pubblicato: 2020-10-29
| Aggiornato: 2024-09-12
