Texas Instruments TPS23882 Type-3 2-Pair 8-Ch PoE PSE Controllers

Texas Instruments TPS23882 Type-3 2-Pair 8-Ch PoE PSE Controllers are engineered to insert power onto Ethernet cables in accordance with the IEEE 802.3bt standard. The TPS23882 PSE controller can detect powered devices (PDs) that have a valid signature, determine the power requirements of the devices according to the device's classification, and apply power.

The ADCs are dedicated per port and provide continuous port current monitoring and the ability to perform parallel classification measurements for faster port turn-on times. A 1.25A port current limit and adjustable power limiting allow for the support of non-standard applications above 60W sourced. The 200mΩ current sense resistor and external FET architecture permit designs to balance size, efficiency, thermal, and solution cost requirements.

Port remapping and pin-to-pin compatibility with the Texas Instruments TPS23882 Type-3 2-Pair 8-Ch PoE PSE Controllers ease migration from previous generation PSE designs and enables interchangeable 2-layer PCB designs to accommodate different system PoE power configurations.

Features

  • IEEE 802.3bt PSE solution for Type-3 2-pair Power Over Ethernet applications
  • Resistor selectable autonomous operation
    • No external MCU is required
  • Compatible with TI’s FirmPSE system firmware
  • SRAM programmable memory
  • Programmable power limiting accuracy ±3%
  • 200mΩ current sense resistor
  • Legacy PD capacitance measurement
  • Selectable 2-pair port power allocations
    • 4W, 7W, 15.4W, or 30W
  • Dedicated 14-bit integrating current ADC per port
    • Noise immune MPS for DC disconnect
    • 2% current sensing accuracy
  • 1- or 3-bit fast port shutdown input
  • Auto-class discovery and power measurement
  • Never fooled 4-point detection
  • Inrush and operational foldback protection
  • 425mA and 1.25A selectable current limits
  • Port remapping
  • 8-bit or 16-bit I2C communication
  • Flexible processor-controlled operating modes
    • Auto, semi-auto, and manual/diagnostic
  • Per port voltage monitoring and telemetry
  • –40°C to +125°C temperature operation

Applications

  • Video recorder (NVR, DVR, etc.)
  • Small business switch
  • Campus and branch switches

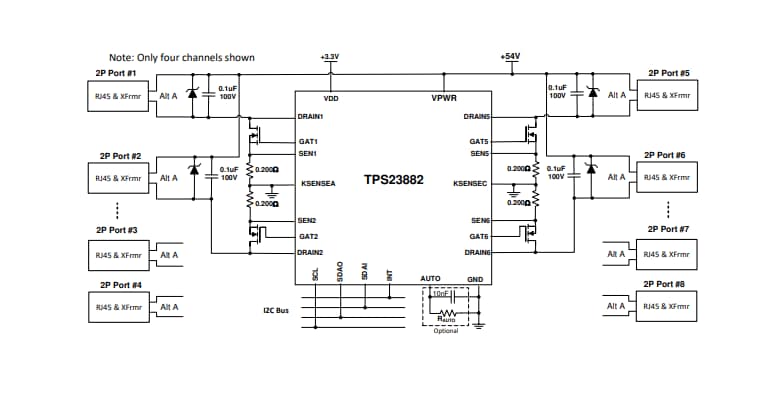
Simplified Schematic

Schematic - Texas Instruments TPS23882 Type-3 2-Pair 8-Ch PoE PSE Controllers
Pubblicato: 2019-10-17 | Aggiornato: 2024-01-04