Texas Instruments eFuse da 58 V a 4,5 A TPS16530
L'eFuse TPS16530 da 58 V a 4,5 A di Texas Instruments è un eFuse positivo di facile utilizzo con un FET integrato da 31 mΩ. Il dispositivo fornisce protezione per carico, sorgente e l'eFuse stesso, oltre a funzionalità regolabili come protezione da sovracorrente accurata, protezione da cortocircuito veloce, controllo della velocità di risposta in uscita e blocco di sottotensione. PGOOD può essere utilizzato per abilitare e disabilitare il controllo dei convertitori CC-CC a valle.Il pin di abilitazione fornisce il controllo esterno per abilitare e disabilitare il FET interno. Il pin di spegnimento può essere utilizzato per mettere il dispositivo in modalità di spegnimento a bassa potenza. Per il monitoraggio dello stato del sistema e il controllo del carico a valle, il dispositivo fornisce un'uscita di monitoraggio precisa dei guasti e della corrente. Il pin MODE consente di configurare il dispositivo tra le due risposte agli errori di limitazione di corrente (latch off e ripetizione automatica).
TPS16530 di Texas Instruments è disponibile in package HTSSOP a 20 pin e VQFN a 24 pin ed è specificato per un intervallo di temperatura da -40 °C a +125 °C.
Caratteristiche
- Tensione di funzionamento da 4,5 V a 58 V, massimo assoluto 67 V
- FET hot-swap RON integrato da 58 V, 31 mΩ
- Limite di corrente regolabile da 0,6 A a 4,5 A (±7%)
- Spazio di sicurezza IPC9592B per il funzionamento a 56 V (HTSSOP a 20 pin)
- Supporto di corrente di impulso 2x per transitori di carico
- Bassa corrente di riposo, 21 µA in arresto
- Taglio UVLO regolabile con precisione di ±2%
- Controllo della velocità di risposta di uscita regolabile per la limitazione della corrente di spunto
- Supporta carichi capacitivi grandi e sconosciuti attraverso la regolazione termica durante l'accensione del dispositivo
- Uscita di alimentazione efficiente (PGOOD)
- Opzioni di risposta ai guasti di sovracorrente selezionabili tra ripetizione automatica e latch off (MODE)
- Uscita monitor di corrente analogica (IMON) (±6%)
- Disponibile in package HTSSOP a 20 pin e VQFN a 24 pin di facile utilizzo
Applicazioni
- Protezione di amplificatore di potenza nelle radio di telecomunicazione
- Apparecchiature mediche
- Pannelli di controllo degli allarmi antincendio
- Stampanti industriali
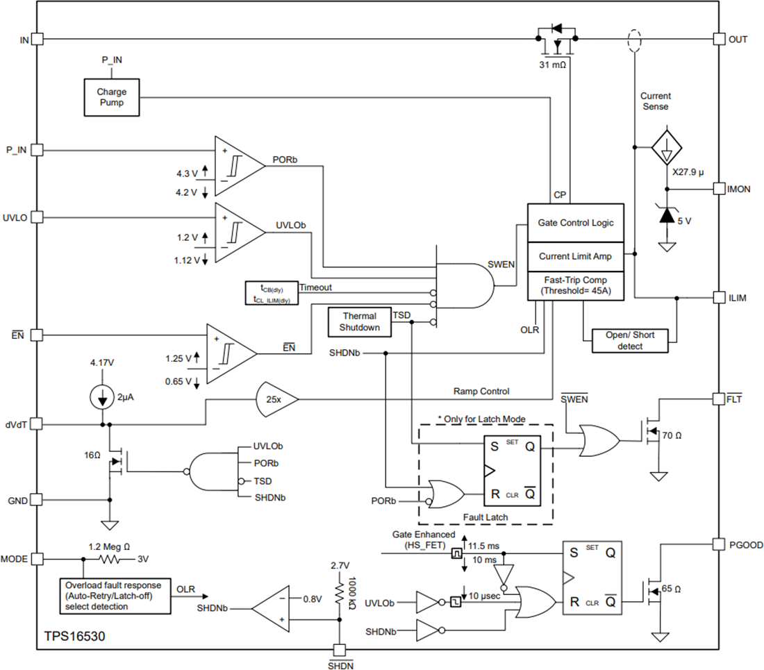
Schema a blocchi funzionale
Pubblicato: 2021-09-01
| Aggiornato: 2022-03-11
