Texas Instruments Ricetrasmettitore half-duplex THVD1330 RS-485
Il ricetrasmettitore half-duplex THVD1330 RS-485 di Texas Instruments con protezione ESD IEC è un robusto ricetrasmettitore a bassa potenza con abilitazione driver attivo-alto e abilitazione ricevitore attivo-basso. Questo ricetrasmettitore presenta un intervallo di modalità comune del bus -7 V a 12 V e una corrente di spegnimento massima bassa di 5μA. Il ricetrasmettitore THVD1330 offre una corrente massima del driver di uscita di 60 mA e una corrente massima del ricevitore di uscita di 8 mA. Questo ricetrasmettitore funziona con una tensione di alimentazione singola 3,3 V e un intervallo di temperatura da -40°C a 125°C. Il ricetrasmettitore THVD1330 viene utilizzato nell'infrastruttura wireless, nell'automazione industriale, nell'automazione degli edifici di controllo e nell'infrastruttura di rete.Il ricetrasmettitore THVD1330 è adatto per la trasmissione dati fino a 32 Mbps e per applicazioni multipunto su cavi lunghi. Questo ricetrasmettitore è destinato a piccole variazioni del ritardo di propagazione per supportare applicazioni sensibili al fattore tempo come Baseband Unit (BBU) e Remote Radio Unit (RRU). Il ricetrasmettitore THVD1330 è utilizzato nell'infrastruttura wireless, nell'automazione industriale, nell'automazione degli edifici di controllo e nell'infrastruttura di rete.
Caratteristiche
- Soddisfa o supera i requisiti dello standard TIA/EIA-485A
- RS-422/RS-485 Half-duplex
- Accensione e spegnimento senza problemi per la capacità hot plug-in
- Portata di tensione di alimentazione da 3 V a 3,6 V
- Ricevitore fail-safe del bus aperto, in corto e inattivo
- Funzionamento velocità dati massima di 32 Mbps
- Bassa corrente di spegnimento massima di 5 μA
- Protezione I/O del bus
- ESD HBM (human body model) ±16 kV
- Scarica contatto IEC 61000-4-2: ±8kV
- Intervallo di temperatura operativa ambientale da-40 °C a 125 °C
- Intervallo di modalità comune del bus da-7 V a 12 V
- Package 4,9 mm x 6 mm SOIC (D, 8).
- Conforme a RoHS e REACH
Applicazioni
- Infrastruttura wireless
- Automazione industriale
- Controllare l'automazione degli edifici
- Infrastrutture di rete
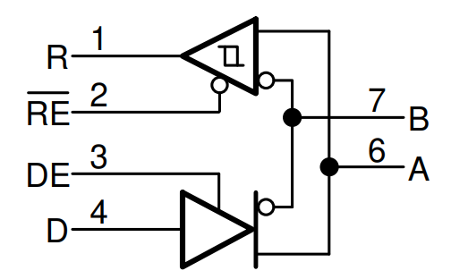
Diagramma schematico semplificato
Pubblicato: 2024-01-12
| Aggiornato: 2024-01-24
