Texas Instruments Riduttori ibridi di livello TDP1204
I riduttori ibridi di Texas Instruments TDP1204 con accoppiamento CC/CA a HDMI™ 2.1 Level Shifter forniscono velocità di trasferimento dati fino a 12 Gbps e sono retrocompatibili con HDMI 1.4b e HDMI 2.0b. I versatili riduttori forniscono ingressi e uscite differenziali ad alta velocità che possono essere accoppiati in CA o in CC, qualificando il TDP1204 per l'utilizzo come riduttori HDMI o come shifter di livello da DP++ a HDMI. Il TDP1204 fornisce FRL HDMI 2.1 a 3 e 4 corsie a 3, 6, 8, 10 e 12 Gbps.I riduttori ibridi del Level Shifter TI TDP1204 supportano applicazioni sia source che sink e possono operare in funzione di riduttore lineare o limitato. Quando è configurato come redriver limitato, i livelli di tensione di uscita differenziale del dispositivo sono indipendenti dai livelli di uscita dell'unità di processo grafico (GPU), garantendo livelli conformi a HDMI alla presa. L'integrazione del traslatore di livello nel TDP1204 elimina le soluzioni discrete e consente di risparmiare sui costi del sistema.
Il TDP1204 offre una singola barra di alimentazione di 3,3 V su VCC ed è presentato in versione per temperature commerciali (TDP1204) e industriali (TDP1204I).
Caratteristiche
- Ingresso e uscita con accoppiamento CA o CC che supportano velocità di trasmissione dati HDMI 2.1 fino a 12 Gbps
- Retrocompatibile con HDMI 1.4b e HDMI 2.0b
- HDMI 2.1 link a velocità fissa (FRL) di 3, 6, 8, 10 e 12 Gbps
- Supporta HDMI 2.1 a tre e quattro corsie FRL
- Ottimizzato per applicazioni con sorgenti HDMI
- Equalizzatore del ricevitore programmabile fino a 12 dB a 6 GHz
- I2C pin strap programmabile
- Il traslatore di livello HPD integrato supporta i livelli LVCMOS da 1,8 V e 3,3 V
- Buffer DDC integrato che supporta livelli fino a 1,2 V
- Scambio completo di corsie sui percorsi principali
- Funzione di snooping del controllo digitale del display (DDC) per la configurazione del collegamento
- Basso consumo energetico:
- 575 mW 12G FRL quattro corsie attivo limitato
- 220 mW 12G FRL quattro corsie lineare attivo
- Spegnimento 0,6 mW
- Disponibile a temperatura commerciale e industriale
- Alimentazione singola da 3,3 V
- Package WQFN 40 pin, passo 0,4 mm, 4 mm x 6 mm
Applicazioni
- Notebook e desktop
- TV
- Home theater e intrattenimento
- Sistemi di gioco
- Docking station
- Audio, video e segnaletica professionale
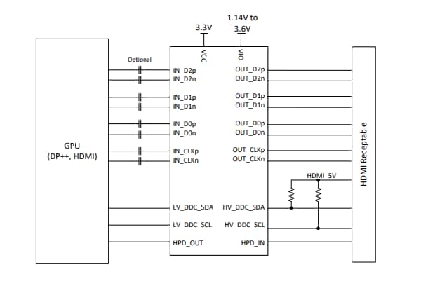
Schema semplificato
Schema a blocchi
Pubblicato: 2022-07-29
| Aggiornato: 2023-04-03
