Texas Instruments Espansori a 8 bit TCAL9538
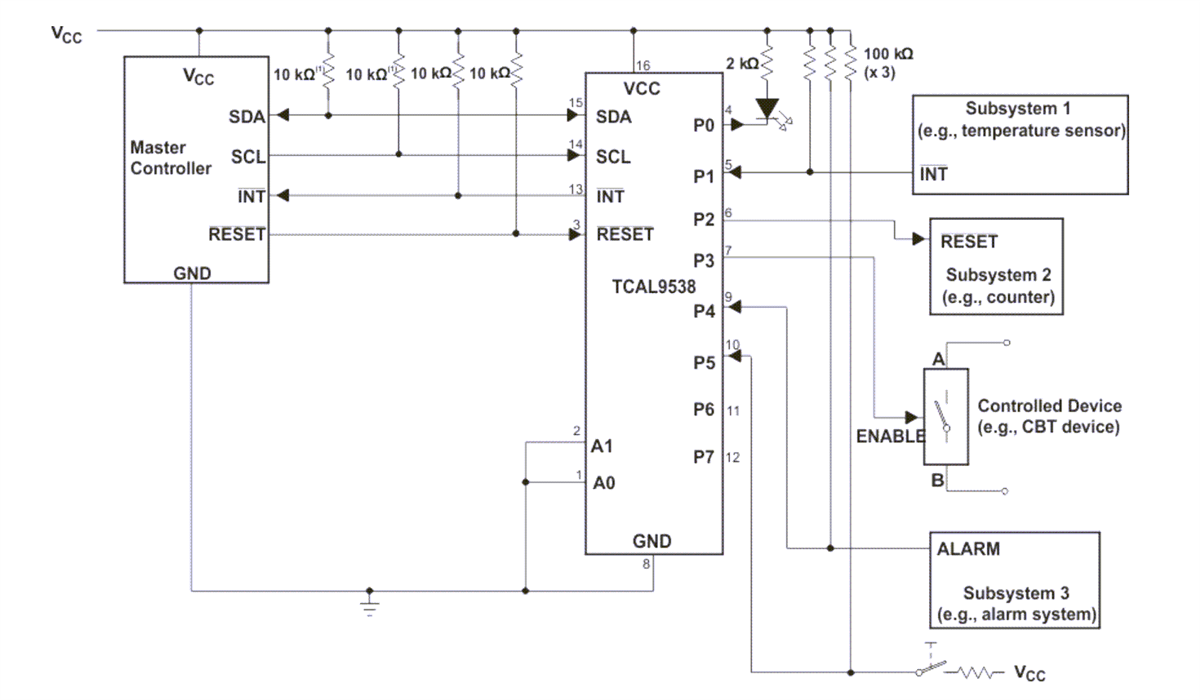
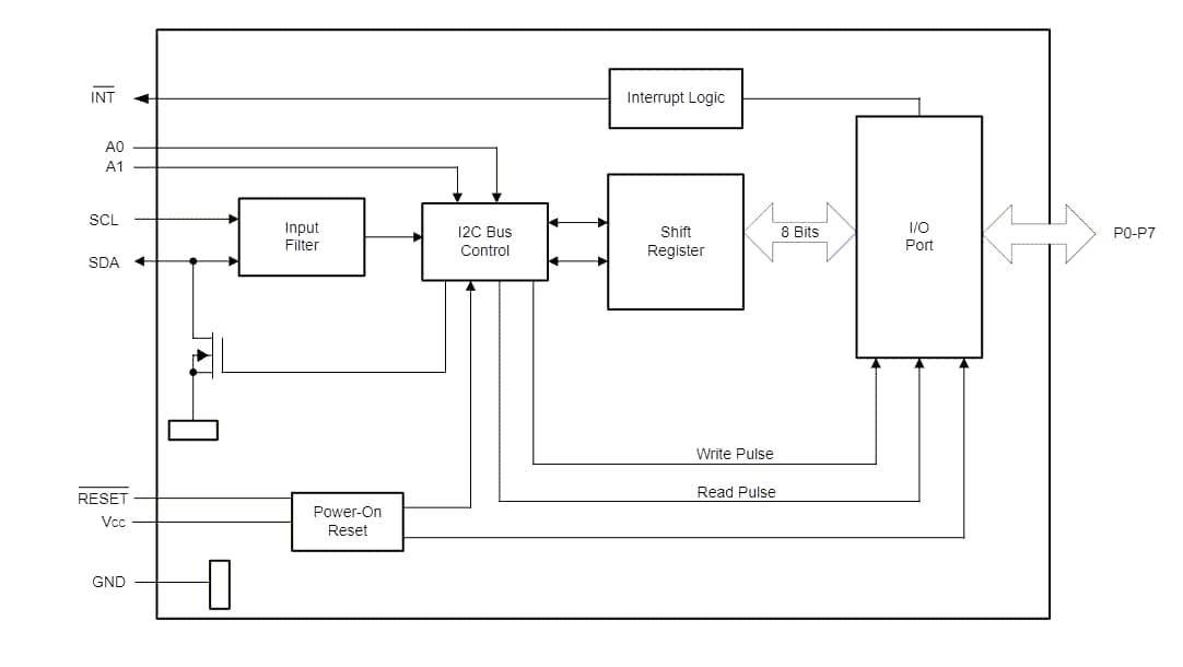
Gli espansori di I/O a 8 bit di Texas Instruments TCAL9538 sono sviluppati per il protocollo bus I2C bidirezionale a due linee (o SMBus) e forniscono un funzionamento da 1,08 V a 3,6 V VCC. TCAL9538 supporta le frequenze di clock 100 kHz (modalità standard), 400 kHz (modalità veloce) e 1 MHz (modalità veloce-plus) I2C. Gli espansori I/O offrono una soluzione semplice quando sono necessari I/O aggiuntivi per sensori, interruttori, pulsanti, LED, ventole e altro ancora.Il TCAL9538 include porte I/O agili con funzionalità aggiuntive progettate per migliorare le prestazioni I/O in termini di velocità, consumo energetico ed EMI. Le caratteristiche sono potenza di comando dell'uscita programmabile, resistori pull-up e pull-down programmabili, ingressi bloccabili, interrupt mascherabile, registro dello stato di interrupt e uscite open-drain o push-pull programmabili.
Caratteristiche
- Intervallo di tensione di alimentazione operativa da 1,08 V a 3,6 V
- Basso consumo di corrente in standby di 1 µA tipico di 1,8 V
- Bus I2C modalità veloce plus 1 MHz
- Il pin dell'indirizzo hardware consente di avere due dispositivi sullo stesso bus I2C, SMBus
- Ingresso ripristino attivo-basso (reset)
- Uscita di interruzione attiva-bassa a drain aperto (INT)
- Registro di configurazione di ingresso o uscita
- Registro di inversione di polarità
- Registro di forza Unità I/O configurabile
- Registro di configurazione del resistore pull-up e pull-down
- Reset accensione interno
- Filtro del rumore su ingressi SCL o SDA
- Uscite bloccate con capacità di azionamento massima a corrente elevata per l'azionamento diretto dei LED
- Le prestazioni in termini di protezione da latch-up superano 100 mA secondo lo standard JESD 78, classe II
- Protezione ESD superiore a JESD 22
- Modello corpo umano da 4000 V (A114-A)
- Modello dispositivo caricato: 1000 V (C101)
Applicazioni
- Server
- Router (apparecchiature di commutazione per telecomunicazioni)
- Personal computer
- Dispositivi elettronici personali
- Automazione industriale
- Console di gioco
- Prodotti con processori GPIO-limited
Schema semplificato
Schema di applicazione tipica
Diagramma logico (logica positiva)
Pubblicato: 2024-01-25
| Aggiornato: 2024-10-30
