Texas Instruments Modulo di valutazione TAS2781EVM
Il modulo di valutazione TAS2781EVM di Texas Instruments dimostra le prestazioni dell'amplificatore audio di classe D TAS2781 in una configurazione mono. Questo modulo di valutazione utilizza interfacce come I2C o SPI, USB, controllo di spegnimento hardware e testate esterne 100-mil per supportare la valutazione e lo sviluppo di TAS2781. Il modulo TAS2781EVM può essere controllato e configurato utilizzando il software PurePath Console 3.Caratteristiche
- Supporta la valutazione e lo sviluppo di TAS2781 attraverso varie interfacce:
- Interfaccia USB
- Controllo Software tramite GUI Console 3 PurePath™ (PPC3), USB-HID
- Dispositivo audio di classe USB, compatibile con Microsoft® Windows® 7+
- PSIA - I2interfaccia S/TDM
- I2C o SPI
- Collettori esterni da 100 mil
- Controllo spegnimento hardware
- Uscita di interruzione
- Utilizza il controller integrato per fornire un'interfaccia di connessione e tensioni di alimentazione
- Supporto del controller di sovralimentazione ibrido
- Ingresso USB per dati audio e controllo
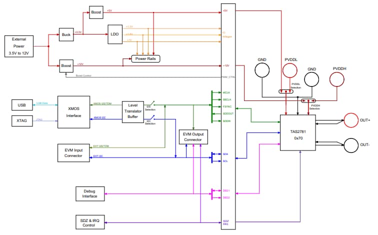
Schema e diagramma a blocchi TAS2781EVM
Risorse aggiuntive
Pubblicato: 2024-01-05
| Aggiornato: 2024-01-11
