Texas Instruments Ricetrasmettitori doppi SN74LXC8T245/SN74LXC8T245-Q1
I ricetrasmettitori a doppia alimentazione SN74LXC8T245/SN74LXC8T245-Q1 di Texas Instruments sono dispositivi di traduzione dei livelli di tensione bidirezionali a 8 bit, non invertenti. I pin Ax e i pin di controllo (DIR e OE) sono riferiti ai livelli logici VCCA, mentre i pin Bx sono riferiti ai livelli logici VCCB. La porta A può accettare tensioni I/O comprese tra 1,1 V e 5,5 V, mentre la porta B può accettare tensioni I/O comprese tra 1,1 V e 5,5 V. Un valore alto su DIR consente la trasmissione dei dati da A a B e un valore basso su DIR fornisce trasmissione dei dati da B ad A quando OE è impostato su basso. Quando OE è impostato su alto, i pin Ax e Bx si trovano nello stato di alta impedenza.I ricetrasmettitori a doppia alimentazione TI SN74LXC8T245-Q1 per uso automobilistico funzionano da -40°C a +125 °C e sono certificati conformi a AEC-Q100 per le applicazioni automobilistiche. Questi dispositivi sono disponibili in packageTSSOP a 24 pin e VQFN a 24 pin.
Caratteristiche
- Un design a doppio rail completamente configurabile permette a ciascuna porta di funzionare da 1,1 V a 5,5 V
- Sequenziamento dell'alimentazione robusto e senza disturbi
- Supporto fino a 420 Mbps da 3,3 V a 5,0 V
- Gli ingressi a trigger di Schmitt consentono ingressi lenti o rumorosi
- Gli I/O con resistenze di pull-down dinamiche integrate aiutano a ridurre il numero di componenti esterni
- Gli ingressi di controllo con resistenze statiche di pull-down integrate consentono ingressi di controllo flottanti
- Elevata forza di azionamento (fino a 32 mA a 5 V)
- Basso consumo energetico
- 4 µA max. (25 °C)
- 12 µA max. (da-40 °C a 125 °C)
- Funzione di isolamento VCC e disconnessione VCC (I off-float)
- Se una delle due alimentazioni VCC è < 100 mV o scollegata, tutti gli I/O vengono abbassati e diventano ad alta impedenza.
- Ioff supporta il funzionamento in modalità di spegnimento parziale
- Compatibile con i traslatori di livello della famiglia LVC
- La logica di controllo (DIR e OE) viene riferita a VCCA
- Temperatura di esercizio da -40 °C a +125 °C
- Le prestazioni in termini di protezione da latch-up superano 100 mA secondo lo standard JESD 78, classe II
- Protezione da ESD superiore alle disposizioni previste dallo standard JESD 22
- Modello corpo umano 4000 V
- Modello dispositivo carico 1000 V
Applicazioni
- Elimina i segnali di ingresso lenti o rumorosi
- Indicatori LED o avvisatori acustici di pilotaggio
- Antirimbalzo di interruttore meccanico
- Unità principale di infotainment
- Fusione ADAS
Schede tecniche
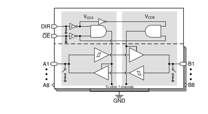
Schema semplificato
Pubblicato: 2020-12-16
| Aggiornato: 2024-10-18
