Texas Instruments Multiplatore da 8 a 1 SN74HCS151/SN74HCS151-Q1
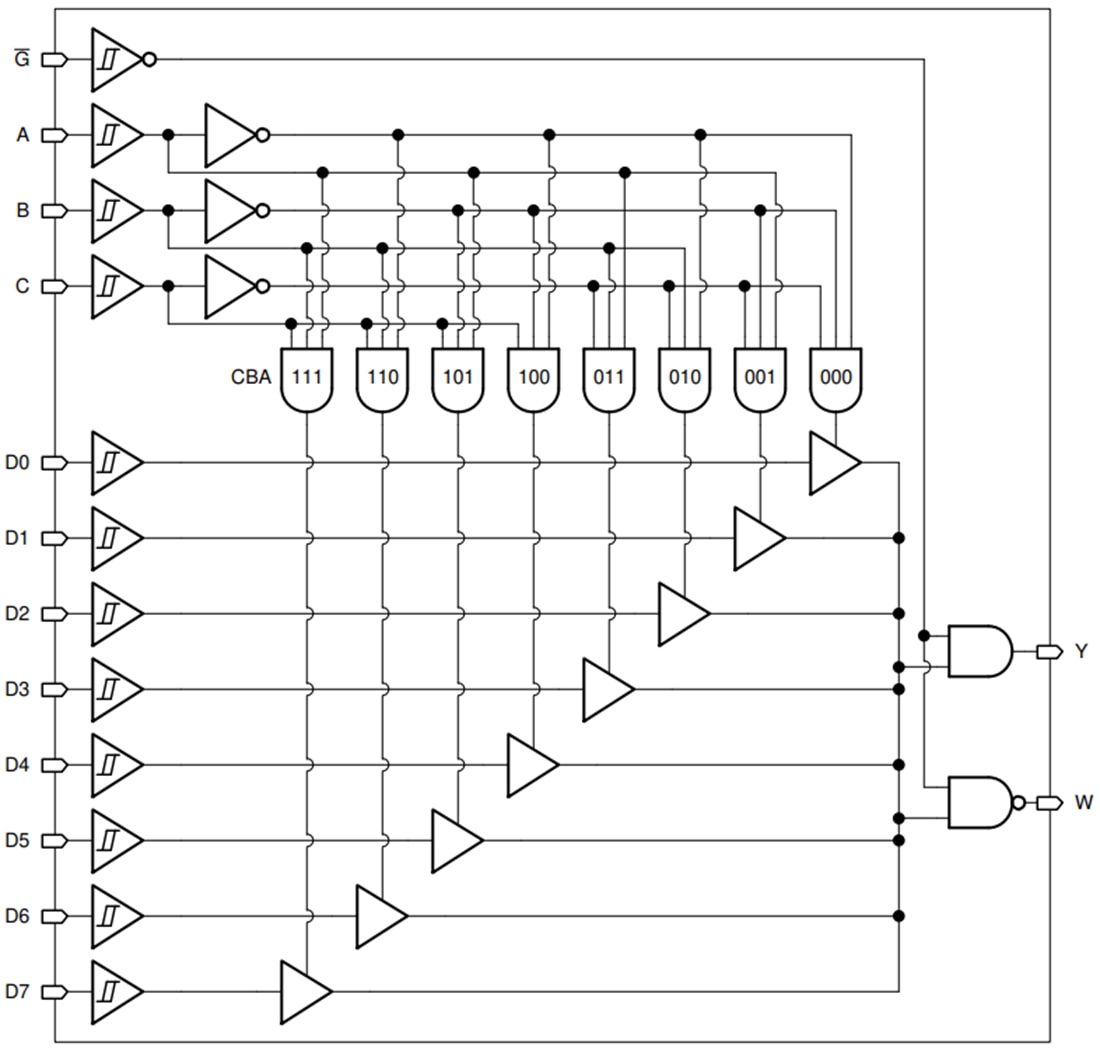
I multiplexer SN74HCS151/SN74HCS151-Q1 8-to-1 di Texas Instruments contengono una decodifica binaria completa per selezionare una delle otto fonti di dati e uscite complementari. L'ingresso strobe (G) deve essere a basso livello logico per abilitare gli ingressi. Un livello elevato al terminale stroboscopico obbliga l’uscita W ad essere alta e l’uscita Y ad essere bassa. I dispositivi SN74HCS151-Q1 di Texas Instruments sono qualificati AEC-Q100 per applicazioni nel settore automobilistico.Caratteristiche
- ampio intervallo di tensioni di funzionamento da 2 V a 6 V
- Gli ingressi a innesco Schmitt consentono di gestire segnali di ingresso lenti o rumorosi
- Unità di uscita ±7,8 mA a 6 V
- Ampio intervallo di temperature ambiente da -40 °C a +125 °C, TA
- Basso consumo energetico
- ICC tipica: 100 nA
- Corrente di dispersione in ingresso tipica di ±100 nA
Applicazioni
- Selezione dati
- Multiplazione
Schede tecniche
Diagramma a blocchi funzionale
Pubblicato: 2020-12-08
| Aggiornato: 2024-10-11
