Texas Instruments Flip-flop SN74ACT2G100/SN74ACT2G100-Q1
I flip-flop SN74ACT2G100/SN74ACT2G100-Q1 di Texas Instruments contengono due flip-flop di tipo D indipendenti con clock attivato dal fronte di salita, clear attivo basso e ingressi dati logici configurabili. Gli ingressi dati possono essere configurati per diverse funzioni logiche a 1 e 2 ingressi, tra cui buffer, inverter, AND, OR, NAND, NOR, XOR e XNOR. Tutti gli ingressi sui Flip-Flop TI SN74ACT2G100/SN74ACT2G100-Q1 hanno un'architettura di trigger Schmitt per supportare segnali di ingresso lenti o rumorosi.I dispositivi SN74ACT2G100-Q1 sono qualificati AEC-Q100 per applicazioni per il settore automobilistico.
Caratteristiche
- Qualificati AEC-Q100 per applicazioni per il settore automobilistico:
- Grado di temperatura del dispositivo 1: da –40 °C a +125 °C
- Livello 2 di classificazione ESD HBM del dispositivo
- Classificazione ESD CDM di livello C4B
- Disponibile in un package QFN con fianco bagnabile
- Intervallo della tensione di funzionamento da 4,5 V a 5,5 V
- Gli ingressi a trigger di Schmitt compatibili con TTL supportano i segnali di ingresso lenti e rumorosi.
- L'uscita continua di ±24 mA è pilotata a 5 V
- Supporta drive in uscita fino a ±75 mA a 5 V in scoppi brevi
- Pilota linee di trasmissione da 50 Ω
- Funzionamento rapido con un ritardo massimo di 10,4 ns
Applicazioni
- Mantiene un segnale durante il ripristino del controller
- Segnali a velocità di margine lenta in ingresso
- Funzionamento in ambienti rumorosi
Schede tecniche
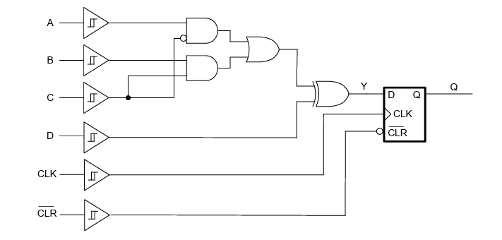
Diagramma logico (logica positiva)
Pubblicato: 2026-01-06
| Aggiornato: 2026-01-12
