Texas Instruments Registri a scorrimento a 8 bit SN74AC165/SN74AC165-Q1
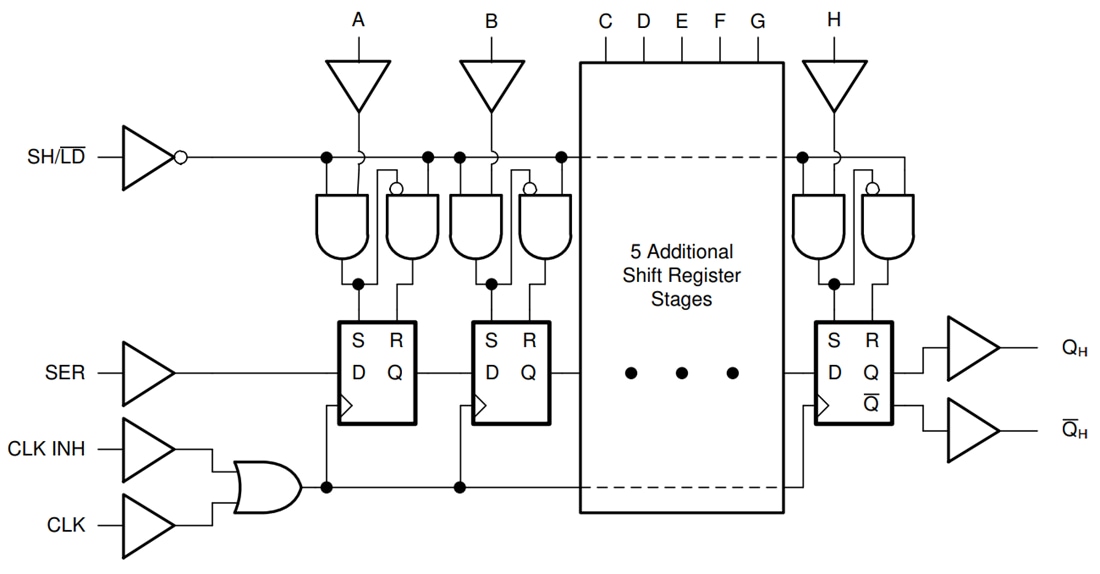
I registri a scorrimento con ingresso parallelo a 8 bit SN74AC165/SN74AC165-Q1 di Texas Instruments dispongono di un ingresso dati seriale (SER), uscite seriali standard e invertite (QH,/QH) e un ingresso di inibizione del clock (CLK INH). L'accesso parallelo a ogni stadio è fornito da otto ingressi dati diretti individuali (A-H) abilitati da un livello basso all'ingresso di spostamento/carico (SH//LD). Questi dispositivi presentano inoltre un'uscita seriale complementare (/QH) e una funzione di inibizione del clock (CLK INH). I dispositivi SN74AC165-Q1 di Texas Instruments sono qualificati AEC-Q100 per le applicazioni per il settore automobilistico.Caratteristiche
- Ampio intervallo di funzionamento da 1,5 V a 6 V
- Gli ingressi accettano tensioni fino a 6 V
- L'uscita continua di ±24 mA è pilotata a 5 V
- Supporta driver di uscita fino a ±75 mA a 5 V in brevi sequenze
- Pilota linee di trasmissione da 50 Ω
- Tpd massimo di 10,1 ns a 5 V, carico 50 pF
Applicazioni
- Aumenta il numero di ingressi su un microcontroller
- Revisione read-in-board
Risorse aggiuntive
- Nota applicativa: Progettare con logica
- Nota applicativa: Implicazioni di ingressi CMOS lenti o mobili
- Nota applicativa: Comprensione e interpretazione dei fogli dati con logica standard
- Nota applicativa: Utilizzo di CMOS ad alta velocità e CMOS avanzati in sistemi con più VCC
- Guida alla selezione: Guida logica
- Guida utente: LOGIC Pocket Data Book
Diagramma logico (logica positiva)
Pubblicato: 2025-04-30
| Aggiornato: 2025-05-09
