Texas Instruments Amplificatori operazionali OPAx310/OPAx310-Q1
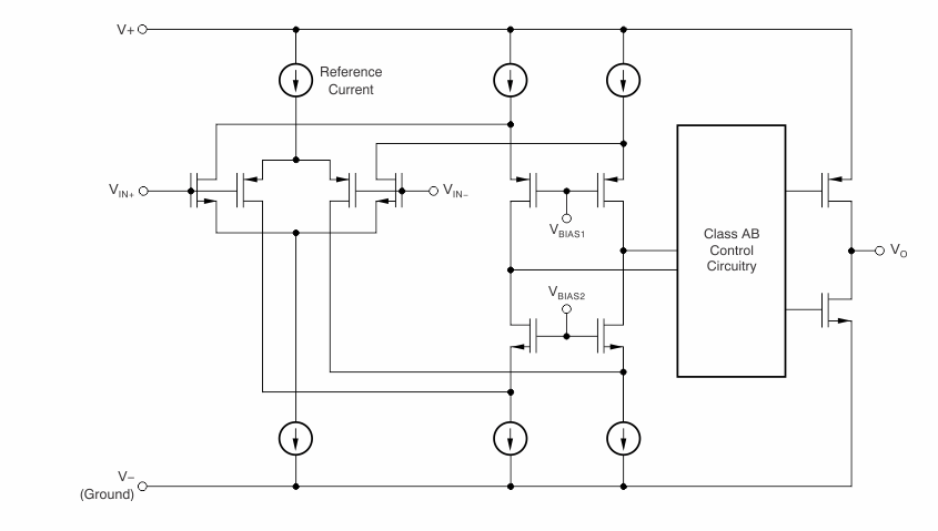
Gli amplificatori operazionali OPAx310/OPAx310-Q1 di Texas Instruments sono amplificatori singoli (OPA310/OPA310-Q1), doppi (OPA2310) e quadrupli (OPA4310) con un intervallo di bassa tensione da 1,5 V a 5,5 V. Gli amplificatori operazionali ad altacorrente di uscita sono dotati di funzionalità rail-to-rail e capacità di oscillazione in ingresso e in uscita. Questi amplificatori offrono prestazioni ESD robuste con una struttura ESD di ingresso a prova di guasto in cui nessun diodo è collegato dagli ingressi al rail di alimentazione positivo. L'OPAx310S offre una risposta di spegnimento molto rapida e ha un tempo di abilitazione/disabilitazione tipico di 1 µs che consente un risparmio energetico quando l'applicazione prevede il ciclo di funzionamento della catena del segnale dell'amplificatore. Gli amplificatori operazionali TI OPAx310/OPAx310-Q1 includono una protezione interna contro il limite di corrente e lo spegnimento termico in un contenitore compatto standard con pad di alimentazione. Ciò consente una maggiore robustezza quando si opera con un'elevata corrente di uscita.Questi amplificatori operazionali presentano un’escursione molto vicina ai rail di alimentazione e dispongono di una corrente di cortocircuito minima di 75 mA su tutta la gamma di temperatura con alimentazione di 5,5 V. La capacità di corrente di uscita aggiuntiva si ottiene collegando accuratamente più amplificatori operazionali in parallelo. L'OPAx310 semplifica la progettazione del circuito con un design robusto e un filtro di reiezione RFI ed EMI integrato senza inversione di fase in condizioni di overdrive di ingresso. I dispositivi supportano eccellenti prestazioni CA con una larghezza di banda di guadagno di 3 MHz e possono pilotare fino a 250 pF di carico capacitivo senza oscillazioni sostenute.
Gli amplificatori operazionali OPAx310/OPAx310-Q1 sono ideali per applicazioni con driver LED, driver LCD, driver laser e driver TEC e possono essere utilizzati anche come buffer di riferimento, amplificatore di protezione o LDO discreto.
Caratteristiche
- Corrente di uscita elevata: 5,5 V ±150 mA ISC tipica
- Abilitazione rapida tipica di 1 µs dallo spegnimento e 0,9 μs tipico (OPAx310-Q1)
- Ampia tensione di alimentazione operativa: da 1,5 V a 5,5 V
- Bassa tensione di offset in ingresso: ±250 µV tipica
- Ingressi a sicurezza intrinseca, nessun diodo dagli ingressi a V+
- Corrente di riposo ottimizzata: 165 µA/ch tipica
- Ingresso e uscita rail-to-rail
- Ampiezza di banda del guadagno a 5,5 V: 3 MHz tipica
- Rumore di fondo termico: 16 nV/√Hz tipico
- Stabile a guadagno unitario
- Conduce fino a 250 pF senza notevoli oscillazioni
- Pin di ingresso RFI ed EMI filtrati interni
- Intervallo delle temperature di funzionamento da –40 °C a 125 °C
Applicazioni
- Moduli ottici
- Buffer di riferimento, amplificatori di protezione
- Pre-amplificatori per microfono
- Illuminazione e driver LED
- Driver di circuito da 4 mA a 20 mA
- Sorgente di corrente programmabile
- Circuiti di rilevamento della corrente low-side
- Applicazioni AEC-Q100 classe 1
Polarizzazione APD/LED/EML con rilevamento di corrente
Diagramma a blocchi
