Texas Instruments Driver per matrice di LED LP5860T
Il driver per matrice di LED LP5860T diTexas Instruments è un dispositivo ad alta corrente e alte prestazioni. Il dispositivo integra 18 dissipatori di corrente costante con N (N = 6/8/11) MOSFET di commutazione per supportare N × 18 punti LED o N × 6 LED RGB. LP5860T integra 11 MOSFET per un massimo di 198 punti LED o 66 LED RGB.LP5860T supporta i metodi di dimming analogico e di dimming PWM. Per l'oscuramento analogico, ciascun punto LED può essere regolato mediante 256 incrementi. I generatori PWM configurabili integrati a 8 o 16 bit consentono un controllo del dimming uniforme e senza rumore udibile per l'oscuramento PWM. Ciascun punto LED può anche essere arbitrariamente mappato in PWM di gruppo a 8 bit per ottenere contemporaneamente il controllo del dimming.
Il dispositivo LP5860T implementa una SRAM indirizzabile completa per ridurre al minimo il traffico di dati. Il circuito per la cancellazione fantasma è integrato per eliminare i fantasmi sia a monte che a valle. Il LP5860T di Texas Instruments supporta anche le funzioni di rilevamento LED aperto e corto. LP5860T offre I2C da 1 MHz (max.) e SPI da 12 MHz (max.).
Caratteristiche
- Topologia a matrice di LED
- Sei dissipatori di corrente costante con sette interruttori di scansione per 42 punti LED
- Configurabile per 1-7 interruttori di scansione
- Intervallo di tensione operativa
- L’intervallo VCC/VLED è compreso tra 2,7 V e 5,5 V
- Pin logici compatibili con 1,8 V, 3,3 Ve 5 V
- Opzioni di dimming flessibili
- Controllo ON/OFF individuale per ciascun punto LED
- Dimming analogico (controllo del guadagno di corrente)
- Impostazione corrente massima (MC) a 7 step globale per tutti i punti LED
- Tre gruppi di impostazioni di Corrente Colore (CC) a 7 bit per rosso, verde e blu
- Impostazione individuale per Corrente Punto (DC) a 8 bit per ciascun punto LED
- Dimming PWM con frequenza priva di rumori udibili
- Dimming PWM globale a 8 bit per tutti i punti LED
- 3 gruppi programmabili di dimming PWM a 8 bit per la mappatura arbitraria dei punti LED
- Dimming PWM individuale a 8 o 16 bit per ciascun punto LED
- 18 dissipatori di corrente costanti con alta precisione
- 100 mA per dissipatore di corrente quando VCC ≥ 3,3 V
- Errore da dispositivo a dispositivo di ±5%
- Errore da canale a canale: ±5%
- Spostamento di fase per una potenza transitoria bilanciata
- Consumo energetico estremamente basso
- Modalità di spegnimento: ICC ≥1 µA quando EN = basso
- Modalità stand-by: ICC ≤ 10 µA quando EN = alto e CHIP_EN = 0 (dati conservati)
- Modalità attiva: ICC = 5 mA (tipica) con corrente del canale = 12,5 mA
- SRAM completamente indirizzabile per ridurre al minimo il traffico di dati
- Rilevamento individuale di punti LED aperti/corti
- Deghosting e compensazione di scarsa luminosità
- Opzioni interfaccia
- Interfaccia I2C a 1 MHz (max.) quando IFS = bassa
- Interfaccia SPI 12 MHz (max.) quando IFS = Alto
Applicazioni
- Animazione a LED e indicazione per
- Elettrodomestici di grandi dimensioni e smart home
- Retroilluminazione tastiera RGB globale
- Retroilluminazione tastierino per esterni
- Modulo IR per videosorveglianza e telecamera IP
- Diodo laser in modulo ottico
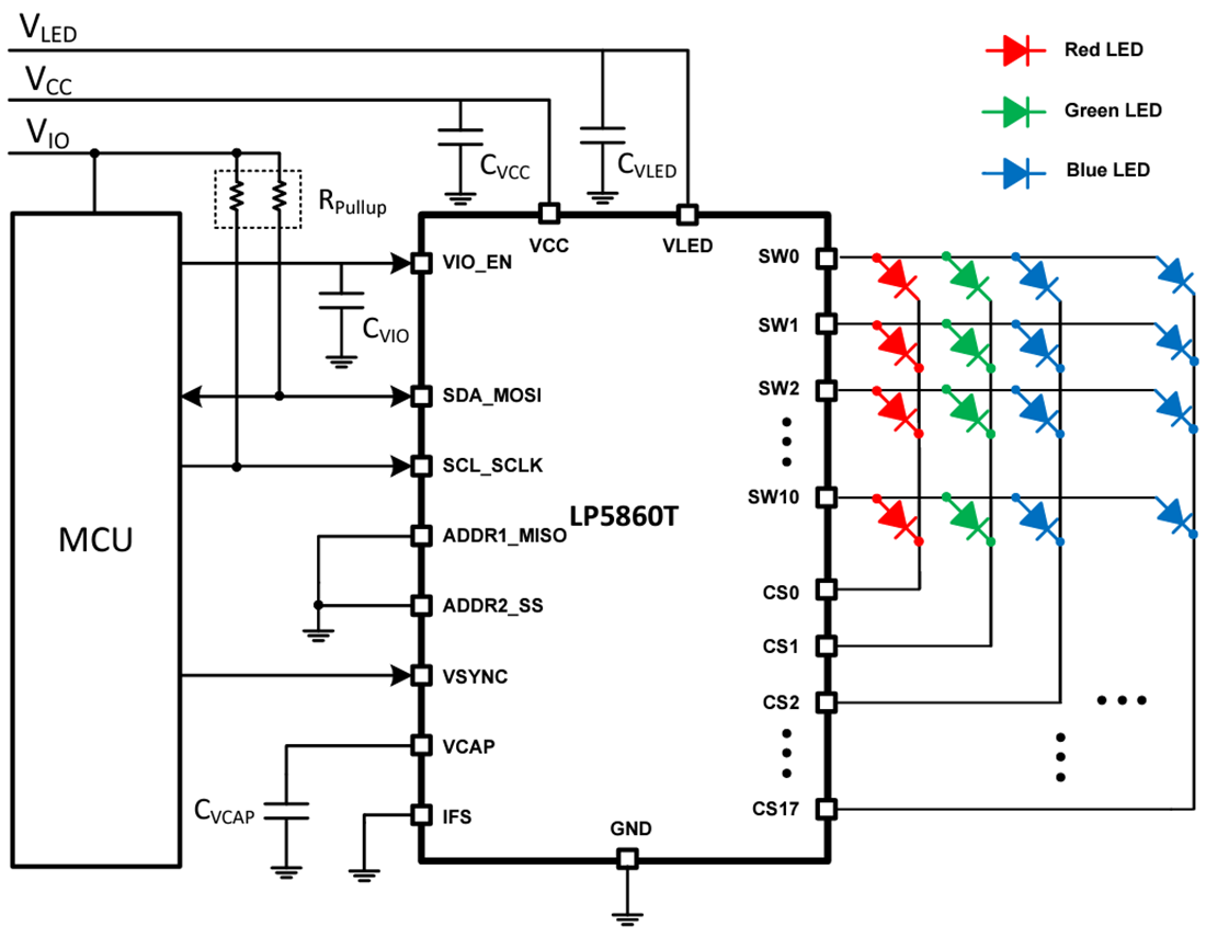
Schema semplificato
