Texas Instruments Regolatore step-down SIMPLE SWITCHER® LMR140x0
I regolatori step-down LMR140x0 SIMPLE SWITCHER® di Texas Instruments sono regolatori step-down da 40 V 2 A (LMR14020), 3,5 A (LMR14030) o 5,0 A (LMR14050) con un MOSFET lato alto integrato. Con un ampio intervallo di ingressi da 4 V a 40 V, sono adatti per varie applicazioni, da industriali ad automobilistiche, per il condizionamento dell'alimentazione da fonti non regolate. La corrente di riposo del regolatore è 40µA in modalità di sospensione, adatta per i sistemi alimentati a batteria. Una corrente di 1 µA in modalità di arresto può prolungare ulteriormente la durata della batteria. Una vasta gamma di frequenze di commutazione regolabile consente l'ottimizzazione dell'efficienza o delle dimensioni dei componenti esterni. La compensazione interna consente all'utente di liberarsi del noioso lavoro di compensazione del circuito. Riduce inoltre al minimo i componenti esterni del dispositivo.Caratteristiche
- 4V to 40V input range
- Available with 2A (LMR14020), 3.5A (LMR14030) or 5.0A (LMR14050) continuous output current
- Ultra-low 40µA operating Quiescent current
- 90mΩ high-side MOSFET
- Minimum switch-on time: 75ns
- Current mode control
- Adjustable switching frequency from 200kHz to 2.5MHz
- Frequency synchronization to external clock
- Internal compensation for ease of use
- High duty cycle operation supported
- Precision enable input
- 1µA shutdown current
- External soft-start
- Thermal, overvoltage, and short protection
- 8-Pin HSOIC with PowerPAD™ package
Applicazioni
- Automotive battery regulation
- Industrial power supplies
- Telecom and datacom systems
- Battery powered system
Video
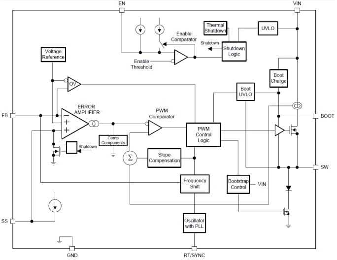
Functional Block Diagram
Additional Resources
Pubblicato: 2015-03-23
| Aggiornato: 2022-03-11
