Texas Instruments Amplificatore a retroazione di tensione LM7171
L'amplificatore a retroazione di tensione LM7171 di Texas Instruments è un amplificatore a retroazione di tensione ad alta velocità con la caratteristica di variazione di un amplificatore di retroazione di corrente. Può essere utilizzato anche in tutte le tradizionali configurazioni di amplificatori di retroazione di tensione. L'LM7171 è stabile per guadagni di appena +2 o −1. Fornisce una velocità di risposta molto elevata a 4100 V/μs e un'ampia larghezza di banda a guadagno unitario di 200 MHz, consumando solo 6,5 mA di corrente di alimentazione. È ideale per applicazioni di elaborazione di segnali video e ad alta velocità come HDSL e amplificatori a impulsi. Con una corrente di uscita di 100 mA, l'LM7171 può essere utilizzato per la distribuzione video, un driver del trasformatore o un driver del diodo laser.Il funzionamento su alimentatori da ±15 V consente grandi oscillazioni di segnale e fornisce un maggiore intervallo dinamico e rapporto segnale-rumore. L'LM7171 offre basso SFDR e THD, ideali per i sistemi ADC/DAC. Inoltre, LM7171 è specificato per il funzionamento a ±5 V per applicazioni portatili. L'LM7171 è realizzato con il processo bipolare complementare avanzato VIP III (PNP verticalmente integrato) di Texas Instruments.
Caratteristiche
- Topologia a retroazione di tensione facile da usare
- Velocità di risposta molto elevata di 2400 V/μs
- Larghezza di banda a guadagno unitario di 200 MHz
- −Frequenza 3dB a AV = +2 (220 MHz)
- Bassa corrente di alimentazione 6,5 mA
- Guadagno a circuito aperto elevato di 85 dB
- Ad alta corrente di uscita 100 mA
- Le specifiche prevedono il funzionamento a ±15 V e ±5 V
- Disponibile con garanzia radiazioni
- Dose ionizzante totale 300 Krad(Si)
- Senza ELDRS 300 Krad(Si)
Applicazioni
- Driver HDSL e ADSL
- Sistemi di trasmissione multimediale
- Videocamere professionali
- Videoamplificatori
- Fotocopiatrici/scanner/fax
- Amplificatori HDTV
- Amplificatori a impulsi e rilevatori di picco
- Elaborazione del segnale CATV/fibra ottica
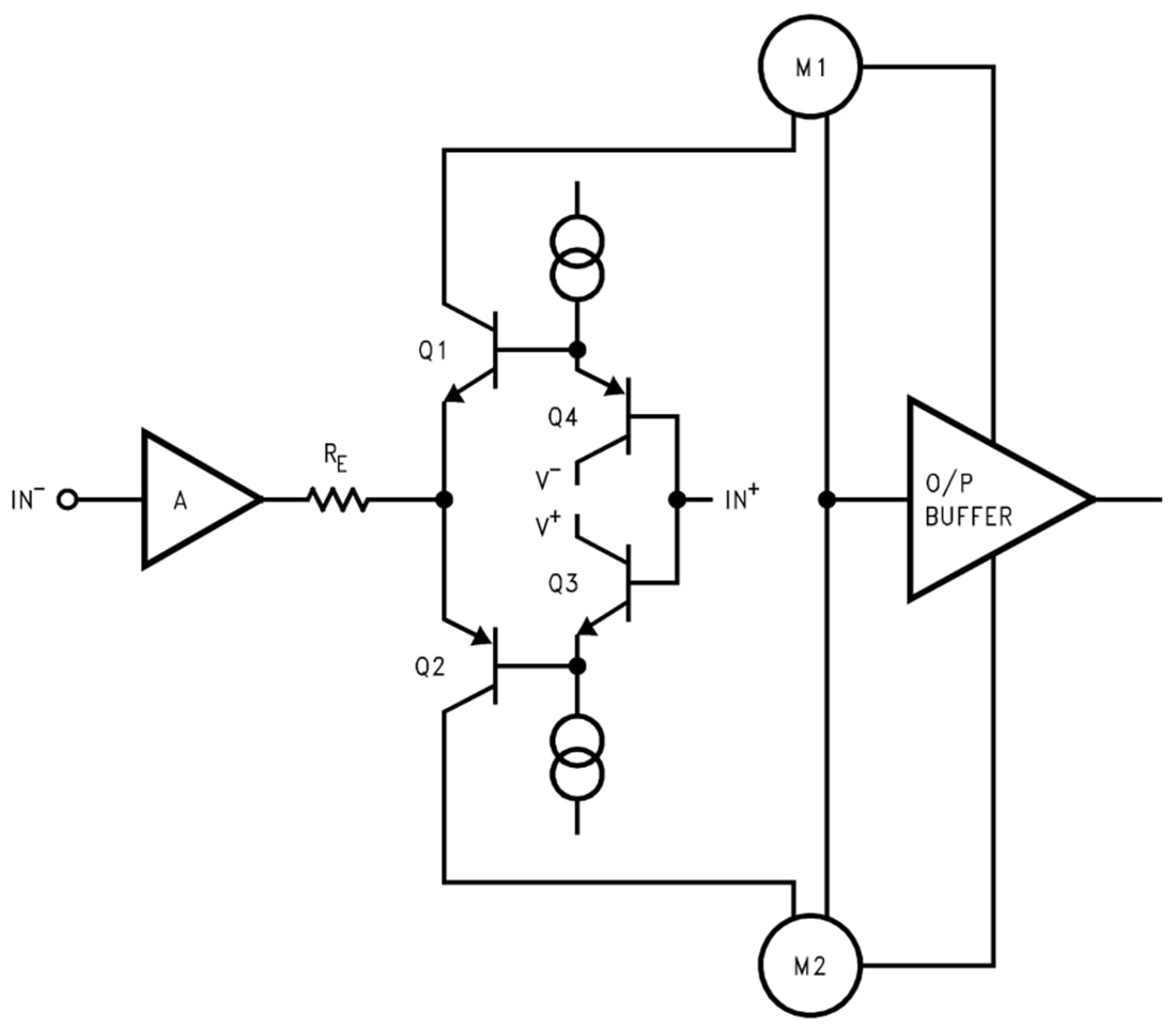
Schema semplificato
Pubblicato: 2021-11-29
| Aggiornato: 2025-03-10
