Texas Instruments Amplificatore di tensione con feedback LM6172
L'amplificatore di tensione con feedback LM6172 di Texas Instruments è un doppio amplificatore di tensione con feedback ad alta velocità, bassa potenza e bassa distorsione. È stabile a guadagno unitario e fornisce eccellenti prestazioni CC e CA. Con una larghezza di banda a guadagno unitario di 100 MHz, una velocità di risposta di 3000 V/μs e una corrente di uscita di 50 mA per canale, l'LM6172 offre prestazioni elevate nei doppi amplificatori, ma consuma solo 2,3 mA di corrente di alimentazione per ciascun canale.L'LM6172 di Texas Instruments opera su un alimentatore da ±15 V per sistemi che richiedono grandi oscillazioni di tensione, come ADSL, scanner e apparecchiature a ultrasuoni. La sua specifica prevede inoltre ±5 V di alimentazione per applicazioni a bassa tensione come i sistemi video portatili. L'LM6172 è realizzato con il processo bipolare complementare avanzato VIP III (PNP verticalmente integrato) di National.
Caratteristiche
- Disponibile con garanzia radiazioni
- Velocità di dosaggio elevata 300 krad(Si)
- Senza ELDRS (100 krad(Si))
- Topologia feedback di tensione di facile uso
- Velocità di risposta elevata di 3000 V/μs
- Larghezza di banda a guadagno unitario di 100 MHz
- Bassa corrente di alimentazione amplificatore/2,3 mA
- Elevata corrente di uscita amplificatore/50mA
- Le specifiche prevedono il funzionamento a ±15 V e ±5 V
Applicazioni
- Convertitori da I a V scanner
- Driver ADSL/HDSL
- Sistemi di trasmissione multimediale
- Videoamplificatori
- Sistemi NTSC, PAL® e SECAM
- Buffer ADC/DAC
- Amplificatori a impulsi e rilevatori di picco
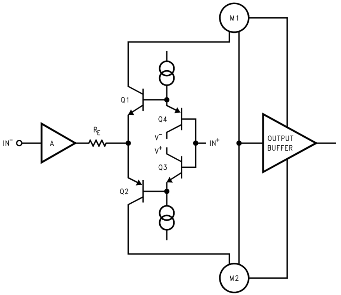
Schema semplificato
Pubblicato: 2021-11-29
| Aggiornato: 2025-03-06
