Regolatore di commutazione LM25011 di Texas Instruments

Regolatore di commutazione LM25011 di Texas Instruments

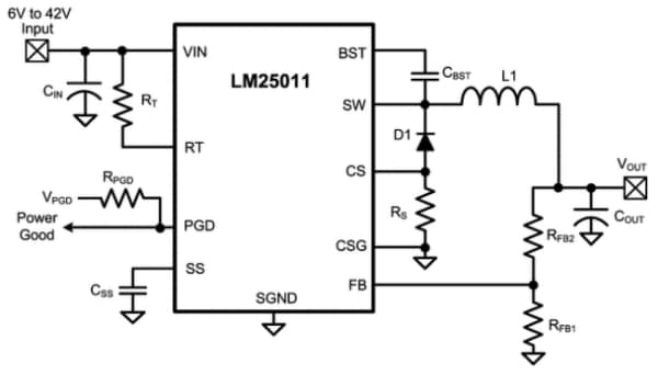
Il regolatore di commutazione step-down constant-on-time LM25011 di Texas Instruments comprende tutte le funzioni necessarie per implementare un regolatore buck polarizzato a basso costo ed efficiente, in grado di fornire una corrente di carico fino a 2 A. Questo regolatore ad alta tensione contiene un interruttore buck a canale N, un regolatore di avvio, rilevamento del limite di corrente e controllo interno dell'ondulazione. Grazie al principio di funzionamento constant on-time, il dispositivo non richiede compensazione dell'anello, di conseguenza offre una rapida risposta transitoria di carico e la semplice implementazione circuitale. La frequenza operativa rimane costante nella linea e nel carico. Il rilevamento del limite di corrente a valle regolabile consente una transizione uniforme dalla modalità a tensione costante a quella a corrente costante quando viene raggiunto il limite di corrente, senza l'uso di una protezione del limite di corrente. L'uscita PGD indica che la tensione di uscita è aumentata entro il 5% del valore di regolazione previsto. Le funzioni aggiuntive includono: bassa ondulazione di uscita, blocco di sottotensione VIN, tempo di avvio progressivo regolabile, esclusione termica, precarico del gate drive, blocco di sottotensione del gate drive e limite massimo del ciclo utile. LM25011A ha un tempo di spegnimento inferiore a LM25011, consentendo così un funzionamento a frequenza maggiore con una bassa tensione di ingresso.


Caratteristiche
  • LM25011Q è un prodotto di grado Automotive con qualifica AEC-Q100 di grado 1 (temperatura operativa di giunzione compresa tra -40 °C e 125 °C)
  • LM25011A consente un funzionamento con bassa caduta di tensione ad alta frequenza di commutazione
  • Intervallo di tensione operativa di ingresso: da 6 V a 42 V
  • Tensione nominale massima assoluta: 45 V
  • Commutatore buck integrato a canale N a 2 A
  • Il limite di corrente regolabile permette un induttore più piccolo
  • Tensione di uscita regolabile da 1,225 V
  • Tensione di ondulazione minima a VOUT
  • Uscita di alimentazione efficiente
  • Frequenza di commutazione regolabile a 2 MHz


  • Funzioni della topologia COT:
    • La frequenza di commutazione rimane quasi costante con le variazioni della corrente di carico e della tensione di ingresso
    • Risposta transitoria ultrarapida
    • Nessuna compensazione di circuito necessaria
    • Funzionamento stabile con condensatori in uscita in ceramica
    • Consente un condensatore di uscita e un resistore di rilevamento di corrente più piccoli
  • Tempo di avvio progressivo regolabile
  • Esclusione termica
  • Riferimento di retroazione di precisione al 2%
  • Pacchetto: 10 pin, VSSOP

Applicazione tipica
Applicazione tipica

Schema funzionale
Schema funzionale

eNews
  • Texas Instruments
Pubblicato: 2014-05-08 | Aggiornato: 2022-03-11