Texas Instruments Modulo di valutazione ricetrasmettitore ISOW1044DFMEVM
Il modulo di valutazione (EVM) del ricetrasmettitore ISOW1044DFMEVM di Texas Instruments è utilizzato per valutare ISOW1044. ISOW1044 è un ricetrasmettitore CAN isolato rinforzato da 5000 VRMS ad alte prestazioni con convertitore CC-CC ad alta efficienza e basse emissioni integrato ISOW1044 in un package SOIC WB a 20 pin (codice package DFM). ISOW1044DFMEVM consente di valutare accuratamente il dispositivo ISOW1044 prima di incorporarlo nel progetto. Per facilitare l'alimentazione da varie fonti di alimentazione, inclusi alimentatori regolati, adattatori CC standard e batterie, il modulo di valutazione include due LDO di uscita regolabili (LM317M). Questi LDO sono collegati ai pin VIO e VDD di ISOW1044. Questa connessione consente di collegare gli ingressi LDO a una più ampia gamma di tensioni di alimentazione. La tensione ottimale per il normale funzionamento del modulo di valutazione è compresa tra 9 V e 12 V. ISOW1044DFMEVM di Texas Instruments include anche un oscillatore integrato (LTC6908-1) che può essere collegato ai pin di ingresso (TXD e IN) di ISOW1044 attraverso resistori da 0 Ω. L'oscillatore aiuta a fornire un segnale di prova rapido per verificare il funzionamento del dispositivo.Caratteristiche
- Ricetrasmettitore CAN isolato rinforzato da 5000 VRMS ad alte prestazioni con convertitore CC-CC integrato ad alta efficienza e a basse emissioni
- Ingressi di alimentazione IO e CC/CC separati
- Ampio intervallo di tensione di alimentazione da 1,71 V a 5,5 V per IO
- Supporta CAN FD
- Soddisfa i limiti di emissione irradiata CISPR 32 Classe B
- Questo modulo di valutazione è testato e include disposizioni per la valutazione del dispositivo ISOW1044
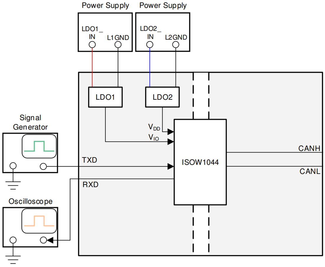
Configurazione di test
Pubblicato: 2021-05-17
| Aggiornato: 2022-03-11
