Texas Instruments Modulo di valutazione ISO6741DWEVM
Il modulo di valutazione ISO6741DWEVM di Texas Instruments supporta la valutazione degli isolatori digitali a tre e quattro canali ISO67xx in un package SOIC WB a 16 pin. L'isolatore digitale ISO67xx è in grado di effettuare isolamenti galvanici fino a 5.000 VRMS. Questi isolatori offrono un'elevata immunità elettromagnetica e basse emissioni a basso consumo energetico, isolando gli I/O digitali CMOS o LVCMOS .Il modulo di valutazione ISO6741DWEVM di TI dispone di punti di test e opzioni di ponticelli sufficienti per valutare il dispositivo ISO67xx con componenti esterni minimi.
Caratteristiche
- Isolatore digitale a canale triplo e quadruplo a bassa velocità
- Ampio intervallo di alimentazione e traduzione di livello da 1,71 V a 5,5 V
- Alta velocità di segnalazione fino a 50 Mbps
- Durata della barriera di isolamento >40 anni
Layout della scheda
Funzionamento EVM di base
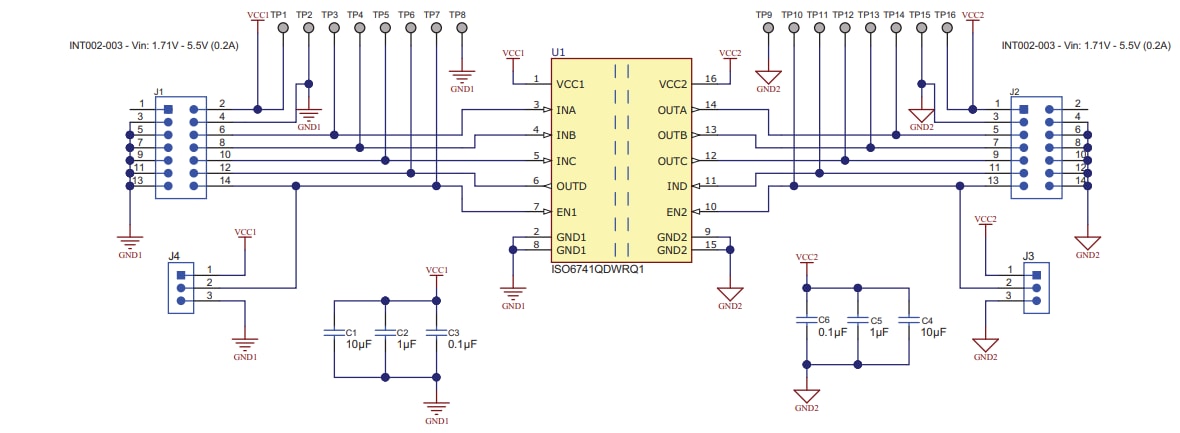
Schematico
Pubblicato: 2020-10-07
| Aggiornato: 2024-08-28
