Texas Instruments Convertitori da analogico a digitale (ADC) ADC364x
I convertitori analogico-digitali (ADC) ADC364x di Texas Instruments sono ADC ad alta velocità, doppio canale, da 10 MSPS a 65 MSPS, 14 bit, basso rumore e bassissimo consumo. Questi ADC ADC364x sono progettati per un basso consumo energetico e presentano una densità spettrale di rumore pari a -155 dBFS/Hz, abbinata a un'eccellente linearità e gamma dinamica. Gli ADC364x consumano solo 72 mW/ch a 65 MSPS e il consumo di energia diminuisce in presenza di frequenze di campionamento più basse.TI ADC364x offre un'eccellente precisione CC e un supporto di campionamento IF, che lo rendono la scelta ideale per diverse applicazioni. Emette i dati utilizzando un'interfaccia DDR o CMOS seriale, offrendo l'interfaccia digitale a minor consumo e la flessibilità di ridurre al minimo il numero di interconnessioni digitali. Questi dispositivi sono una famiglia compatibile pin-to-pin con diversi gradi di velocità.
Gli ADC364x supportano l'intervallo di temperatura industriale esteso compreso tra -40 e +105 °C e sono disponibili in un package VQFN a 40 pin.
Caratteristiche
- Doppio canale
- ADC 10/25/65MSPS a 14 bit
- Rumore di fondo: -155 dBFS/Hz
- Bassissimo consumo con ridimensionamento ottimizzato della potenza da 29 mW/ch (10 MSPS) a 72 mW/ch (65 MSPS)
- Latenza: un ciclo di clock
- 14 bit, senza codici omessi
- INL: ±0,6 LSB; DNL: ±0,2 LSB
- Riferimento esterno o interno
- Intervallo di temperature industriali: da -40 °C a +105 °C
- Filtro digitale su chip (opzionale)
- Decimazione per 2, 4, 8, 16, 32
- NCO a 32 bit
- Interfaccia seriale DDR e CMOS
- Package VQFN 40 pin compatto (5 mm × 5 mm)
- Alimentazione singola a 1,8 V
- Prestazioni spettrali (fIN = 5 MHz)
- SNR: 79,0 dBFS
- SFDR: 93 dBc HD2, HD3
- SFDR: 101 dBFS peggior spurio
- Prestazioni spettrali (fIN = 64 MHz)
- SNR: 74,0 dBFS
- SFDR: 84dBc HD2, HD3
- SFDR: linea di derivazione peggiore 90 dBFS
Applicazioni
- Acquisizione dati ad alta velocità
- Monitoraggio industriale
- Termocamere
- Imaging ed ecoscandaglio
- Radio definita da software
- Qualità dell'alimentazione
- Infrastruttura di comunicazione
- Circuiti di controllo ad alta velocità
- Strumentazioni
- Griglie intelligenti
- Spettroscopia
- Radar
- Unità di misurazione sorgente (SMU)
- Ricevitore GPS
- Sonar
- Automazione della sottostazione
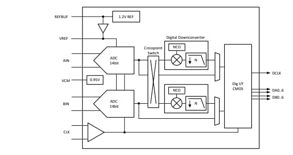
Schema a blocchi
Pubblicato: 2020-12-15
| Aggiornato: 2024-10-18
