TDK Soluzioni per circuiti di controllo di base
TDK offre una vasta gamma di componenti ideali per la progettazione e lo sviluppo di circuiti di controllo per il controllo dei motori, i convertitori boost CC-CC e la modulazione della larghezza di impulso (PWM). Questi componenti comprendono un'ampia gamma di dispositivi passivi generali, tra cui induttori di segnale, trasformatori di segnale, elementi magnetici, bobine, filtri di modo comune, condensatori elettrolitici in alluminio, condensatori a film, varistori SMD e scaricatori di sovratensione.Schema del circuito di controllo di base
Controller per uso generico
Visualizza gli induttori di segnale
• Intervallo di temperatura fino a +145 °C
• Fattore Q elevato
• Alta frequenza di risonanza
• Qualificato secondo AEC-Q200
• Adatto per saldatura per rifusione senza piombo
Visualizza induttori di potenza
• Intervallo di temperatura fino a +150 °C
• Alta corrente nominale
Bassa resistenza CC
• Ideali per saldatura per rifusione senza piombo
• Qualificati secondo AEC-Q200
Visualizza bobine di arresto
• Alta frequenza di risonanza grazie alla speciale tecnica di avvolgimento
• Adatto per saldatura a onda
• Il design è conforme agli standard EN, VDE e UL
• Modo comune Powerline
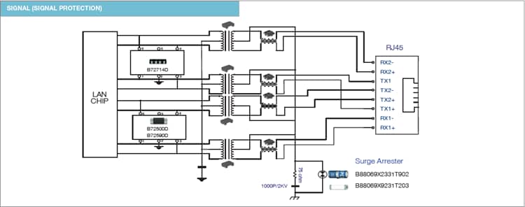
Diagramma di protezione del segnale
Protezione del segnale
Visualizza gli induttori di segnale
• Intervallo di temperatura fino a +145 °C
• Fattore Q elevato
• Alta frequenza di risonanza
• Qualificato secondo AEC-Q200
• Adatto per saldatura per rifusione senza piombo
Visualizza i filtri di modo comune
• Eccellente impedenza di modo comune e soppressione del rumore in un involucro compatto
• Basso profilo e dimensioni ridotte
Visualizza trasformatori di segnale
• Serie ALT, trasformatori di impulsi a chip avvolto sviluppati per la LAN
• Compatibili con 10BASE-T, 100BASE-TX e 1000BASE-T
• Prodotto di alta qualità, ad avvolgimento automatico
Dispositivi di protezione – Varistore SMD
Visualizza le dimensioni del chip EIA 0402, SOD-723
Visualizza le dimensioni del chip 0603, SOD-523
• Serie ad alta velocità, bassa capacità
• Compatibile RoHS
Diagramma di protezione di ingresso
Protezione
Dispositivi di protezione – Varistore SMD
Visualizza dimensioni del chip EIA 1210-2220
• Approvazione UL a UL 1449
• Protezione bidirezionale
• Bassa corrente di dispersione
• Stabilità ESD a lungo termine
• Prestazioni stabili ad alte temperature senza depotenziamento
Scaricatori di sovratensione
Visualizza scaricatore a 3 elettrodi
Diagramma di alimentazione CC/CC (buck)
Convertitore CC/CC
Visualizza gli induttori di segnale
• Intervallo di temperatura fino a +145 °C
• Fattore Q elevato
• Alta frequenza di risonanza
• Qualificato secondo AEC-Q200
• Adatto per saldatura per rifusione senza piombo
Visualizza i filtri di modo comune
• Eccellente impedenza di modo comune e soppressione del rumore in un involucro compatto
• A basso profilo e dalledimensioni ridotte
Visualizza induttori di potenza
• Intervallo di temperatura fino a +150 °C
• •Alta corrente nominale
• Bassa resistenza CC
• Ideali per saldatura per rifusione senza piombo
• Qualificati secondo gli standard AEC-Q200
Visualizza bobine di arresto
• Alta frequenza di risonanza grazie alla speciale tecnica di avvolgimento
• Adatto per saldatura a onda
• Il design è conforme agli standard EN, VDE e UL
• Modo comune Powerline
Visualizza condensatori elettrolitici in alluminio
• Impedenza ultrabassa ad alta frequenza
• Lunga vita utile
• Elevata capacità di corrente di ripple
