Amplificatori autoradio a ponte quadruplo 4x42 W
TDA7388A STMicroelectronics

Gli amplificatori autoradio a ponte quadruplo 4x42 W TDA7388A STMicroelectronics sono amplificatori di potenza classe AB in un integrato Flexiwatt 27. Questi dispositivi STMicroelectronics sono progettati per applicazioni autoradio di fascia alta, con elevata potenza in uscita, bassa distorsione e basso rumore in uscita. Il TDA7388A presenta una configurazione di uscita PNP/NPN pienamente complementare, che consente una dinamica della tensione d'uscita rail to rail senza bisogno di condensatori bootstrap. Gli amplificatori autoradio a ponte quadruplo TDA7388A sono inoltre dotati delle funzioni di rilevamento delle distorsioni e dello sfasamento.

Caratteristiche
  • Elevata potenza in uscita:
    • 4x42 W/4 Ω max.
    • 4x27 W/4 Ω a 14,4 V, 1 KHz, 10%
  • Bassa distorsione
  • Basso rumore di uscita
  • Funzione di standby
  • Funzione di azzeramento volume
  • Azzeramento automatico volume al rilevamento della tensione di alimentazione minima
  • Basso numero di componenti esterni:
  • Rilevamento distorsione
  • Rilevamento sfasamento
  • Funzione di diagnostica per:
    • Uscita in corto verso terra
    • Uscita in corto verso VS
    • Esclusione termica
Applicazioni
  • Autoradio di fascia alta

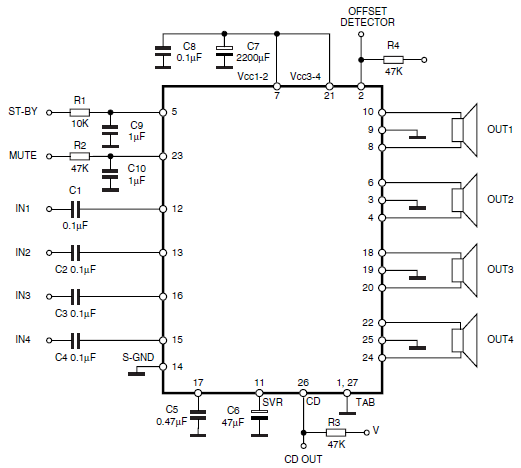
Circuito di applicazione

Circuito di applicazione
  • STMicroelectronics
  • Audio
  • Semiconductors|Integrated Circuits|IC-Amplifier|IC-Audio
Pubblicato: 2011-11-14 | Aggiornato: 2022-03-11