STMicroelectronics Gate driver a semiponte triplo STDRIVE102
I gate driver a semiponte triplo STDRIVE102 di STMicroelectronics sono progettati per il pilotaggio di motori brushless trifase. Grazie alla sua modalità standby molto efficiente, che riduce in modo significativo il consumo di corrente quando il dispositivo non è attivo, l'STDRIVE102 è una soluzione ideale per le applicazioni di driver per motori alimentati a batteria, come elettroutensili, aspirapolvere e piccoli elettrodomestici.L'STDRIVE102 è dotato di protezioni integrate, che aumentano la robustezza complessiva dell'applicazione. Le protezioni includono il blocco per sottotensione (UVLO) su ogni linea di alimentazione (VCC, VDD e tensione della pompa di carica), lo spegnimento termico e il monitoraggio VDS sia sui MOSFET di lato alto che di lato basso (high-side e low-side) Se viene attivata una protezione, il pin open-drain nFAULT segnala l'evento. L'STDRIVE102 di STMicro ha un altro pin open-drain (FLAG) dedicato che indica se l'alimentazione VCC del gate driver scende al di sotto del limite di guardia. Il dispositivo integra un funzionamento di arresto intelligente che consente lo spegnimento immediato delle uscite del driver in caso di guasto, riducendo al minimo il ritardo di propagazione tra l'evento di rilevamento del guasto e l'effettivo spegnimento dell'uscita.
Oltre al pin di alimentazione principale (VS), l'STDRIVE102 ha un pin VM dedicato che dovrebbe essere collegato alla tensione di alimentazione del motore in corrispondenza dei drain dei MOSFET a canale N di lato alto (high-side). Il pin VM viene utilizzato per il monitoraggio VDS integrato e come tensione di riferimento per la pompa di carica. I pin VS e VM possono operare a diverse tensioni, aumentando la flessibilità del dispositivo.
Caratteristiche
- Tensione di funzionamento da 6 V a 50 V
- Gate driver con capacità di corrente programmabile fino a:
- Corrente di sorgente: 1 A
- Corrente di sink: 2 A
- Alta robustezza contro i sovraccarichi e le sovratensioni
- Pompa di carica per ciclo di funzionamento del 100% con protezione di blocco da sottotensione dedicata
- Gestione dell'energia flessibile:
- Regolatore lineare LDO con protezione di blocco da sottotensione dedicata da 12 V
- Regolatore lineare LDO con protezione di blocco da sottotensione dedicata da 3,3 V
- Modalità standby per basso consumo inferiore a 50 nA
- Protezione da arresto termico
- Monitoraggio VDS per un funzionamento sicuro dei MOSFET di potenza
- Front-end analogico flessibile:
- Fino a tre amplificatori operazionali ad ampio spettro
- Fino a tre comparatori ad alta velocità
- Doppia modalità di controllo:
- ENx/INx
- INHx/INLx con interblocco
- Ritardo di propagazione corrispondente per tutti i canali
- Ingressi logici fino a 5 V TTL-compatibili
Applicazioni
- Strumenti elettrici alimentati a batteria
- Aspirapolvere portatile
- E-bike
- Automazione industriale
- Robotica
- Pompe e ventole
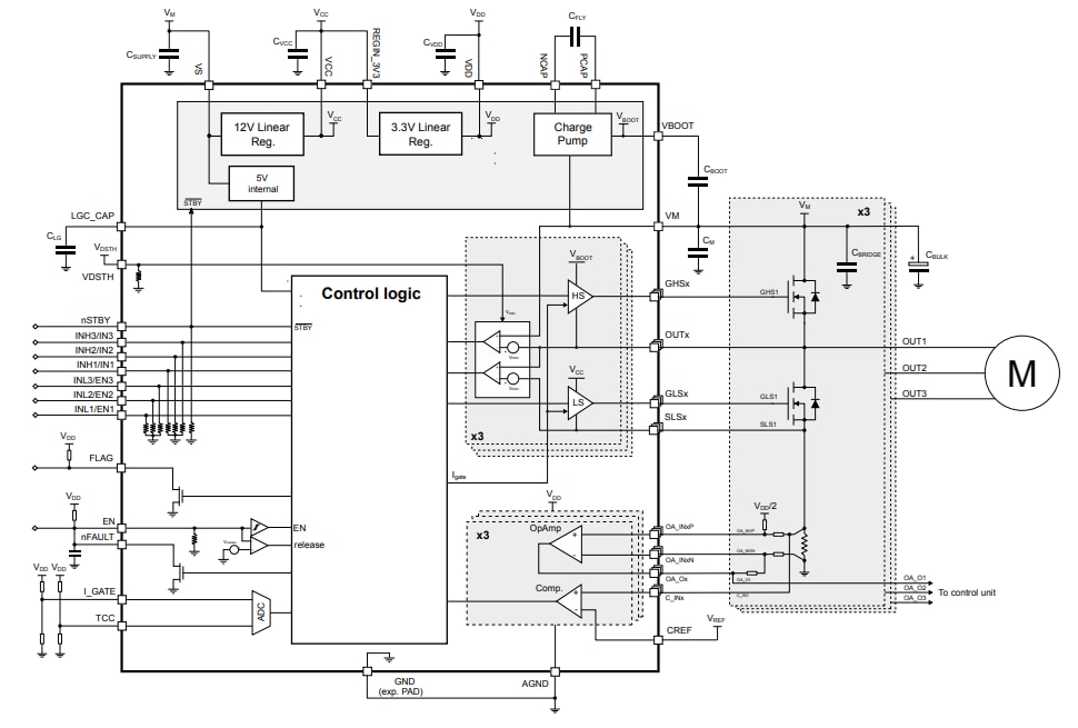
Diagramma a blocchi STDRIVE102BH/BP
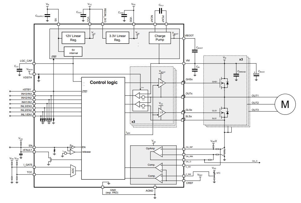
Diagramma a blocchi STDRIVE102H/P
