STMicroelectronics Modulo di potenza DMT‑32 ACEPACK M1P45M12W2-1LA
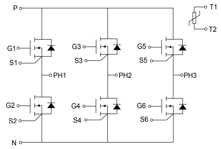
Il modulo di potenza DMT‑32 ACEPACK M1P45M12W2-1LA di STMicroelectronics realizza una topologia six-pack con NTC integrato su misura per lo stadio del convertitore CC/CC dell’OBC. Questo modulo di potenza è utilizzato nel caricatore di bordo (OVC). Il modulo di potenza M1P45M12W2-1LA garantisce un equilibrio ottimale tra le perdite di energia e la modalità di funzionamento ad alta frequenza di commutazione. Questo modulo di potenza crea topologie complesse con densità di potenza molto elevate e requisiti ad alta efficienza. Questo modulo di potenza è qualificato AQG 324. Il modulo di potenza M1P45M12W2-1LA presenta sei MOSFET di potenza in carburo di silicio di 2a generazione.Caratteristiche
- Con qualifica AQG 324
- Sensore di temperatura integrato NTC
- Substrato DBC basato su Cu-AlN-Cu per migliorare le prestazioni termiche
Specifiche
- Tensione di rottura drain-source 1200 V
- Corrente di drain 30 A (continua) a TC=50 °C
- Corrente di drain 95 A (a impulsi, tp= 1 ms)
- Intervallo temperatura di funzionamento da -40 °C a 175 °C
Applicazioni
- Caricatore su scheda (OVC)
Topologia elettrica
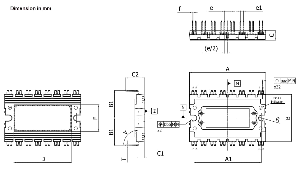
Struttura del package ACEPACK DMT‑32
Pubblicato: 2024-09-18
| Aggiornato: 2024-10-10
