STMicroelectronics CI driver per valvole automotive a 4 canali L9305
I driver per valvole a 4 canali L9305 di STMicroelectronics sono circuiti integrati monolitici configurabili sviluppati per la gestione di solenoidi lineari in applicazioni quali trasmissioni automatiche, controllo elettronico della stabilità e sospensioni attive. L'L9305 presenta quattro canali disposti come driver di lato basso o alto in qualsiasi assortimento. Il dispositivo contiene il transistor di potenza, il transistor di ricircolo e il rilevamento della corrente per entrambi i transistor.L'architettura dei driver STMicro L9305 garantisce la ridondanza della misurazione della corrente per ogni canale. La corrente regolata è programmabile da 0 A a 1,5 A (portata normale), con una risoluzione di 0,25 mA, o da 0 A a 2 A (portata estesa), con una risoluzione di 0,33 mA. L'utente può sovrapporre una modulazione di dither configurabile alla corrente del setpoint.
Caratteristiche
- Conformi alle qualifiche AEC-Q100
- Driver a corrente controllata LSD/HSD indipendenti a 4 canali
- Percorso di rilevamento di corrente integrato
- Precisione della corrente (in intervallo normale)
- ±5 mA nell'intervallo da 0 a 0,5 A
- ±1% nell'intervallo da 0,5 A a 1,5 A
- Precisione della corrente (in intervallo esteso)
- ±15 mA nell'intervallo da 0 A a 0,3 A
- ±5% nell'intervallo da 0,3 A a 0,5 A
- ±4% nell'intervallo da 0,5 A a 2 A
- RDSON massima del driver 375 mΩ a 175 °C
- Risoluzione del setpoint di corrente a 13 bit
- Controllo della corrente a frequenza variabile e fissa
- Funzione di dithering programmabile
- Controllo della velocità di risposta del driver selezionabile
- Caratteristiche di sicurezza
- Interruttore di attivazione di sicurezza ENABLE a lato alto pre-driver con monitoraggio VDS
- Percorso di attivazione ridondante della funzione di sicurezza
- Diagnosi e monitoraggio avanzati tramite BIST
- Sensore di temperatura e monitoraggio
- Rilevamento della corrente ridondante per tutti i canali
- Memoria di calibrazione e configurazione, inclusa la CRC
- Comunicazioni seriali sicure tramite feedback dell'indirizzo, CRC a 5 bit, contatore di frame e rilevamento di frame lunghi/brevi
- Verifica della registrazione
- Comunicazioni SPI a 32 bit con verifica del messaggio CRC a 5 bit
- Opzioni di package PWSSO36 e TQFP48
- Sistemi ASIL-D completamente conformi alla norma ISO 26262
Applicazioni
- Automotive
- Telaio e sicurezza
- Sospensioni attive
- Sistema frenante
- In ABS
- Controllo elettronico della stabilità (ESC)
- Telaio e sicurezza
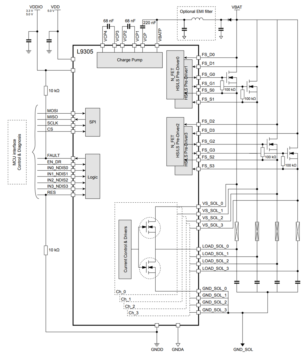
Diagramma a blocchi
Schematico dell'applicazione PWSSO36
Schematico dell'applicazione TQFP48
Pubblicato: 2025-08-08
| Aggiornato: 2025-08-19
