STMicroelectronics Isolatori digitali a doppio canale STISO621

Gli isolatori digitali a doppio canale STISO621 STMicroelectronics presentano velocità di trasmissione dati fino a 100 Mbps e si basano sulla tecnologia di isolamento galvanico ST in ossido di un certo spessore. Gli isolatori digitali STISO621 STM presentano due canali indipendenti in direzioni opposte, tra cui un ingresso a trigger di Schmitt. Queste opzioni consentono la robustezza al rumore e il tempo di commutazione di ingresso/uscita ad alta velocità.

Caratteristiche

  • Isolatore digitale a doppio canale con direzione a canale 1-1
  • Alta velocità di trasmissione dati fino a 100 Mbps
  • Intervallo temperatura di funzionamento da -40 °C a +125 °C
  • Transitori di modo comune elevati > 50kV/µs
  • Livelli di alimentazione da 3 V a 5,5 V
  • Traslazione di livello 3,3 V e 5 V
  • Basso consumo energetico
  • Distorsioni della durata di impulso di <3ns
  • Isolamento galvanico 6 kV

Applicazioni

  • Sostituzione del fotoaccoppiatore in applicazioni industriali
  • Isolamento bus di campo industriale
  • Monitor batteria e unità di azionamento motori
  • Isolamento multicanale di dimensioni decisive

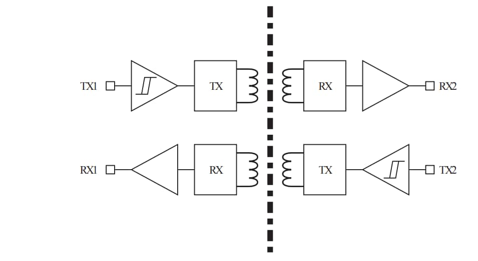
Diagramma a blocchi

Schema a blocchi - STMicroelectronics Isolatori digitali a doppio canale STISO621
Pubblicato: 2020-10-30 | Aggiornato: 2025-04-07