STMicroelectronics Doppio amplificatore operazionale a bassa potenza LM2904B
Il doppio amplificatore operazionale a bassa potenza LM2904B STMicroelectronics è costituito da due amplificatori operazionali (amplificatori operazionali) a guadagno elevato indipendenti fra loro con compensazione della frequenza implementata internamente. Sono progettati appositamente per i sistemi di controllo del settore automobilistico e industriale. Questo circuito funziona con un'unica alimentazione in un'ampia gamma di tensioni. La STMicroelectronics LM2904B è garantita fino a 36 V di tensione di alimentazione. Il drain di alimentazione a bassa potenza è indipendente dalla potenza della tensione di alimentazione. Le aree di applicazione includono gli amplificatori per trasduttori, i blocchi di guadagno CC e i circuiti di amplificatori operazionali convenzionali, che ora possono essere implementati più facilmente in sistemi a singola alimentazione. Questi circuiti possono essere alimentati direttamente dallo standard 5 V, che è comunemente utilizzato nei sistemi logici. eroga rapidamente le interfacce elettroniche necessarie senza necessitare di alcuna alimentazione aggiuntiva. In modalità lineare, l'intervallo di tensione di modo comune dell'ingresso include la terra e la tensione di uscita può scaricare verso terra, anche se viene utilizzata da un unica alimentazione.Caratteristiche
- Tensione di alimentazione di funzionamento fino a 36 V
- Compensazione della frequenza realizzata internamente
- Ampio guadagno di tensione CC: 100 dB
- Ampia larghezza di banda (guadagno unitario) 1,2 MHz (compensato in temperatura)
- Corrente di alimentazione/amplificatore molto bassa, essenzialmente indipendente dalla tensione di alimentazione
- Corrente di polarizzazione di ingresso bassa: 20 nA (compensata in temperatura)
- Corrente di offset in ingresso bassa: 2 nA
- L'intervallo di modo comune della tensione ingresso include il rail negativo.
- Intervallo di tensione in ingresso differenziale uguale alla tensione di alimentazione
- Ampio intervallo di tensione di uscita: da 0 V a VCC-1,5 V
Applicazioni
- Apparecchiatura di telecomunicazione
- Risparmio energetico
- Applicazione industriale
- Settore automobilistico
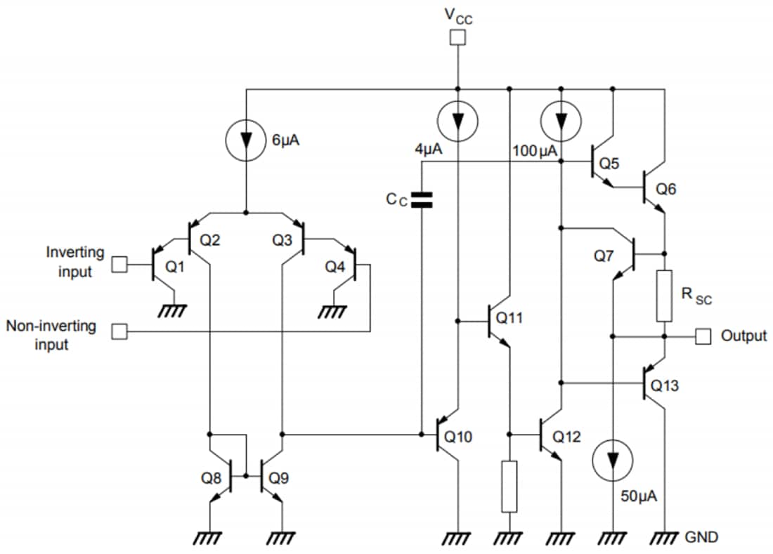
Schema
Pubblicato: 2021-07-27
| Aggiornato: 2022-03-11
