STMicroelectronics Scheda dimostrativa del gate driver EVALSTGAP2HSM
La scheda dimostrativa del gate driver EVALSTGAP2HSM di STMicroelectronics consente di valutare tutte le caratteristiche STGAP2HSM mentre aziona uno stadio di potenza a mezzo ponte con una tensione nominale fino a 1200 V in un package TO-220 o TO-247. Il gate driver è caratterizzato da una capacità di corrente di 4 A e da uscite rail-to-rail. Questa caratteristica rende il gate driver adatto anche per applicazioni di inverter ad alta potenza come driver di motori in applicazioni industriali dotate di interruttore di alimentazione MOSFET/IGBT. Le uscite sorgente e sink separate consentono all'utente di ottimizzare in modo indipendente l'accensione e lo spegnimento utilizzando resistori di porta dedicati.Il dispositivo integra le funzioni di protezione, come UVLO ed esclusione termica per progettare facilmente sistemi ad alta affidabilità. I pin a doppio ingresso consentono di scegliere la polarità del segnale di controllo e anche di attuare la protezione di interblocco HW per evitare la conduzione incrociata in caso di malfunzionamento del controller. Il dispositivo consente di implementare il pilotaggio del gate negativo e i convertitori CC-CC isolati integrati consentono di lavorare con una tensione di pilotaggio ottimizzata per MOSFET/IGBT. L'EVALSTGAP2HSM STMicroelectronics consente una facile selezione e modifica dei valori dei componenti esterni pertinenti per facilitare la valutazione delle prestazioni del driver in diverse condizioni applicative e una precisa pre-regolazione dei componenti dell'applicazione finale.
Caratteristiche
- Scheda
- Guida ad alta tensione fino a 1200 V
- Pilotaggio del gate negativo
- Convertitori CC-CC isolati su scheda per fornire driver di gate a monte e a valle, alimentati da VAUX = 5 V, con isolamento massimo di 5,2 kV
- Alimentazione logica 3,3 V VDD generata a bordo o 5 V (applicata esternamente)
- Facile selezione del jumper della configurazione della tensione di azionamento: +15/0 V; +15/-3 V; +19/0 V; +19/-3 V;
- Dispositivo
- Capacità di corrente del driver sorgente/sink: 4 A a 25 °C
- Dissipatore e sorgente separati per una facile configurazione del pilotaggio del gate
- Isolamento galvanico: 6000 V
- Ritardo di propagazione breve: 75 ns
- Funzione UVLO
- Tensione del drive della porta 26 V
- Ingressi TTL/CMOS da 3,3 V, 5 V con isteresi
- Protezione contro lo spegnimento per temperatura
- Funzione di standby
Applicazioni
- Motor drivers
- Home appliances
- Factory automation
- Industrial drives
- Fans
- 600/1200V inverters
- Battery chargers
- Induction heating
- Welding
- UPS
- Power supply units
- DC-DC converters
- Power factor correction
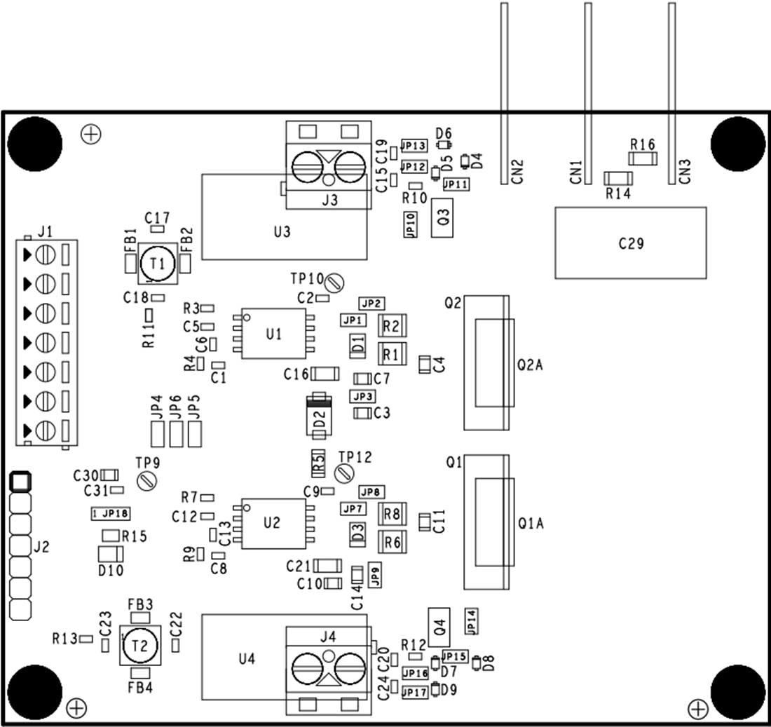
Layout della scheda
