STMicroelectronics Regolatore di commutazione sincrono step-down A6986 STMicroelectronics
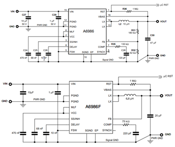
Il regolatore di commutazione sincrono step-down A6986 STMicroelectronics è un regolatore di commutazione step-down monolitico in grado di erogare fino a 2 A AC. Gli intervalli di regolazione della tensione in uscita vanno da 0,85 V a VIN. La capacità al 100% del ciclo di lavoro e l'ampio intervallo della tensione in ingresso soddisfano le specifiche di avviamento a freddo e di assorbimento di carico dei sistemi automobilistici. La modalità basso consumo (LCM) è studiata per le applicazioni attive durante il parcheggio, perché massimizza l'efficienza in presenza di carichi leggeri, con un'ondulazione controllata della tensione in uscita. La modalità basso rumore (LNM) rende costante la frequenza di commutazione e minimizza l'intervallo di correnti di sovraccarico dell'ondulazione della tensione in uscita, soddisfacendo le applicazioni a basso rumore come le autoradio. Il supervisore della tensione in uscita gestisce la fase di ripristino per qualsiasi carico digitale (μC, FPGA). L'uscita del collettore aperto RST può anche implementare la sequenza di tensioni in ingresso durante la fase di accensione. Il raddrizzamento sincrono, studiato per l'elevata efficienza a carico medio e grande, oltre che l'alta frequenza di commutazione, rende compatta l'applicazione. Il rilevamento della corrente impulso per impulso su entrambi gli elementi dell'alimentazione implementa un'efficace protezione dalla corrente costante.The STMicroelectronics A6986 Step-Down Switching Regulator is offered in a HTSSOP16 package and is AEC-Q100 qualified for use in automotive applications.
Caratteristiche
- AECQ100 qualification
- 1.5A DC output current
- 4V to 38V operating input voltage
- Low consumption mode or low noise mode
- 30μA IQ at light load (3.3V LCM VOUT)
- 5μA IQ-SHTDWN
- Adjustable fSW (250kHz - 2MHz)
- Output voltage adjustable from 0.85V to VIN
- Embedded output voltage supervisor
- Synchronization
- Adjustable soft-start time
- Internal current limiting
- Overvoltage protection
- Output voltage sequencing
- Peak current mode architecture
- 180mΩ RDS(ON) and 110mΩ RDS(ON)
- Thermal shutdown
Applicazioni
- Designed for automotive systems
- Battery powered applications
- Car body applications (LCM)
- Car audio and low noise applications (LNM)
Additional Resources
Video
View Results ( 4 ) Page
| Codice prodotto | Scheda dati | Corrente di uscita | Tensione di uscita |
|---|---|---|---|
| A6986F3V3TR | ![]() |
1.5 A | 3.3 V |
| A6986TR | ![]() |
2 A | 850 mV to 38 V |
| A6986ITR | ![]() |
2 A | 850 mV to 38 V |
| A6986F5V | ![]() |
1.5 A | 5 V |
Pubblicato: 2014-09-17
| Aggiornato: 2025-05-13

