STMicroelectronics A6985F Synchronous Step-Down Switching Regulators
STMicroelectronics A6985F Synchronous Step-Down Switching Regulators are automotive-grade devices that deliver up to 0.5A DC. The A6985F features a low consumption mode, low noise mode and has adjustable output voltages from 0.85V to VIN. The regulators are AEC-Q100 qualified with 100% duty cycle capabilities and wide input voltage ranges for cold crank and load dump specifications. Typical applications include battery-powered applications, car body applications, and designed for automotive systems.Features
- AECQ-100 qualification
- 0.5A DC output current
- 4V to 38V operating input voltage
- Low consumption mode or low noise mode
- 30μA IQ at light-load (LCM VOUT = 3.3V)
- 8μA IQ-SHTDWN
- Output voltages:
- 3.3V and 5V fixed
- Adjustable from 0.85V to VIN
- Adjustable fSW (250kHz-2MHz)
- Embedded output voltage supervisor
- Synchronization
- Adjustable soft-start time
- Internal current limiting
- Overvoltage protection
- Output voltage sequencing
- Peak current mode architecture
- RDSON HS = 360mΩ, RDSON LS = 150mΩ
- Thermal shutdown
Applications
- Designed for automotive systems
- Battery powered applications
- Car body applications (LCM)
- Car audio and low noise applications (LNM)
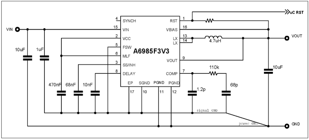
Application Circuit
Pubblicato: 2016-03-02
| Aggiornato: 2022-03-11
