Renesas Electronics Controller sincrono 3 livlli Buck RAA48930x
I controller buck sincroni RAA48930x 3 livelli di Renesas Electronics sono sviluppati per una topologia buck 3 livelli con eccellente efficienza, che riduce significativamente l'induttanza necessaria per regolare la tensione di uscita. L'innovativa progettazione riduce la perdita di potenza e le dimensioni del sistema, rendendolo ideale per applicazioni compatte e ad alte prestazioni.I controller Renesas RAA48930x offrono prestazioni termiche superiori riducendo la generazione di calore e riducendo al minimo le perdite di potenza durante la commutazione. I dispositivi riducono lo stress termico, migliorando l'affidabilità del sistema e prolungando la durata del prodotto. Inoltre, RAA48930x presenta requisiti di raffreddamento ridotti con una minore dissipazione del calore, con conseguenti soluzioni di raffreddamento più piccole e risparmio di spazio e costi.
I controller RAA48930x implementano un'architettura salvaspazio in una progettazione compatta, riducendo l'ingombro del PCB. Il dispositivo offre una flessibilità di scalabilità, adattandosi facilmente a vari livelli di potenza e requisiti applicativi. La tecnologia avanzata Renesas R3™ con bilanciamento della tensione del condensatore volante garantisce un'erogazione di potenza altamente efficiente e una rapida risposta ai transienti.
Caratteristiche
- Configurazione buck 3 livelli con un singolo induttore
- Pompa di carica interna per gate drive da 5 V o 10 V con EXT5V
- Modalità di passaggio nella direzione in avanti o invertita
- Transizioni fluide tra CV, CC, CL e CV nei cicli
- ADC integrato a 8 bit per telemetria digitale
- Monitor di corrente di ingresso e uscita basato su hardware
- Pacchetto TQFN 4 x 4 a 32 pin
Applicazioni
- Utensili elettrici
- Aspirapolvere portatili
- Rasaerba robotizzati
- Docking station
- Settore industriale
- Cliente
- Caricabatterie USB-PD multiporta
- Soluzione di alimentazione portatile
- Docking station per PC
- Robot e droni
Curve di efficienza
Diagramma a blocchi
Applicazione tipica RAA489300
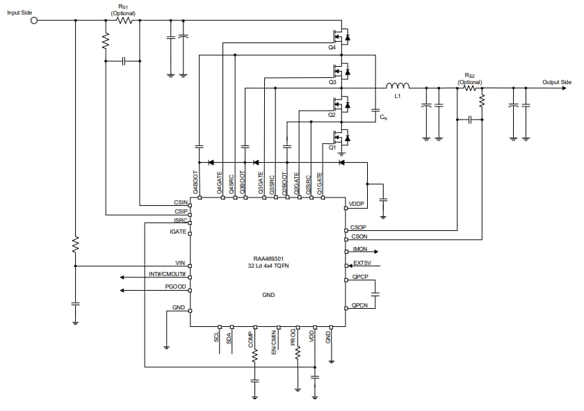
Applicazione tipica RAA489301
