Renesas Electronics CI di gestione dell'energia per telecamere veicolari ISL78083
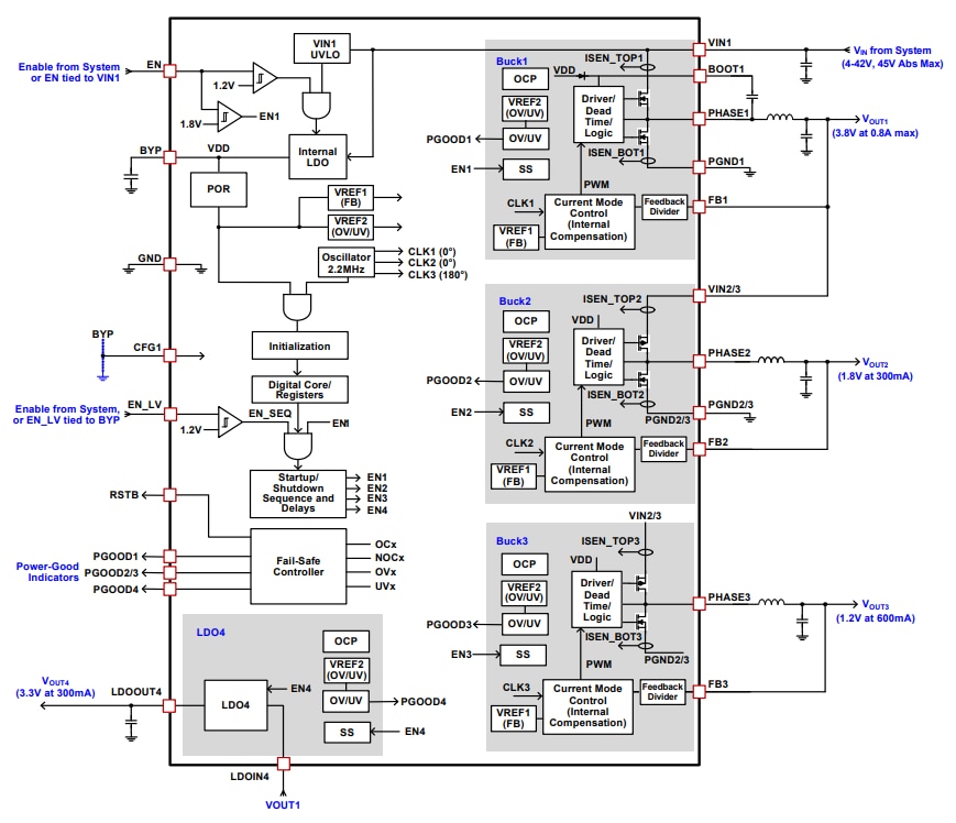
CI di gestione dell'energia per telecamere veicolari ISL78083 di Renesas Electronics è un CI di alimentazione multi-rail versatile. Dispone di un regolatore buck sincrono ad alta tensione primario, due regolatori buck sincroni a bassa tensione secondari e un regolatore LDO. Offre inoltre quattro monitor di sovratensione e sottotensione, tre indicatori di alimentazione efficiente e un indicatore di uscita/guasto di ripristino dedicato. Per limitare i guasti della causa comune, l' ISL78083 include anche un secondo riferimento per i monitor OV/UV, indipendentemente dal riferimento dei regolatori.Caratteristiche
- intervallo di funzionamento VIN: da 4,0 V a 42 V con una gamma di avvio da 4,5 V a 42 V
- Frequenza di commutazione fissa di 2,2 MHz con spettro pseudo-casuale opzionale
- Tre buck sincroni con compensazione interna e un LDO
- Intervallo di uscita Buck1: da 3,3 V a 5,05 V
- Intervallo di uscita Buck2: da 1,0 V a 3,3 V
- Intervallo di uscita Buck3: da 1,0 V a 3,3 V
- Intervallo di uscita LDO4: da 2,8 V a 3,4 V
- Soglie UV/OV di uscita, OTP di ±4%, ±6%, ±8%, ±12%
- Sequenza di accensione/spegnimento e ritardo OTP
- Scarica di uscita opzionale su Buck2, Buck3 e LDO4
- Corrente all’ingresso VIN in modalità di spegnimento di < 1A tipica
- Funzionalità di protezione
- UVLO di tensione di ingresso
- OV/UV di uscita
- Limiti di corrente positiva e negativa sui buck
- Protezione da sovracorrente su LDO interni e di uscita
- Controller a sicurezza intrinseca
- CRC dei registri OTP
- Risposta ai guasti OTP hiccup o latch-off
Applicazioni
- Telecamere veicolari HD con visione posteriore e perimetrale
- Telecamere per il monitoraggio dei conducenti
- Dashcam HD
Schema a blocchi
PMIC per il settore automobilistico ISL78083
Pubblicato: 2020-01-14
| Aggiornato: 2024-04-15
