Renesas Electronics Circuito integrato di interfaccia RS-232 ICL3221E
I CI di interfaccia RS-232 ICL3221E di Renesas Electronics sono trasmettitori/ricevitori RS-232 alimentati da 3,0 V a 5,5 V che soddisfano le specifiche ElA/TIA-232 e V.28/V.24, anche a VCC= 3,0 V. Inoltre, i dispositivi forniscono protezione ESD ±15 kV (traferro e modello corpo umano IEC61000-4-2) su uscite trasmettitore e ingressi ricevitori (pin RS-232).L'ICL3221E presenta una funzione di spegnimento automatico che spegne l'alimentazione su chip e i circuiti del driver. Lo spegnimento avviene quando un dispositivo periferico collegato viene spento o il cavo RS-232 viene rimosso, consentendo di risparmiare automaticamente l'alimentazione del sistema senza modifiche all'hardware o al sistema operativo. Questi dispositivi si riaccendono quando viene applicata una tensione RS-232 valida a qualsiasi ingresso del ricevitore.
Caratteristiche
- Protezione ESD per pin I/O RS-232 a ±15 kV (IEC61000)
- Sostituzione immediata del MAX3221E
- Aggiornamento a basso consumo, compatibile con i pin
- RS-232 compatibile con VCC= 2,7 V
- Soddisfa le specifiche EIA/TIA-232 e V.28/V.24 a 3 V
- Senza latch-up
- I convertitori di tensione su chip richiedono solo quattro condensatori 0,1 µF esterni a VCC= 3,3 V
- Funzionalità di spegnimento manuale e automatico
- Isteresi del ricevitore per una migliore immunità al rumore
- 250 kbps garantisce una velocità di trasmissione dati minima
- Intervallo di alimentazione da +3 V a +5,5 V singolo
- Bassa corrente di alimentazione di 1 µA in stato di spegnimento
- Senza piombo (conforme a RoHS)
Applicazioni
- Qualsiasi sistema che richieda porte di comunicazione RS-232
- Apparecchiature portatili, portatili e alimentate a batteria
- Computer portatili e notebook
- Modem, stampanti e altre periferiche
- Fotocamere digitali
- Telefoni cellulari/mobili
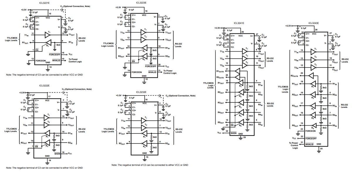
Circuiti di funzionamento tipici
Contenuti correlati
Pubblicato: 2020-03-17
| Aggiornato: 2024-07-09
