Renesas Electronics Generatore di clock RF 8V19N882 e attenuatore jitter
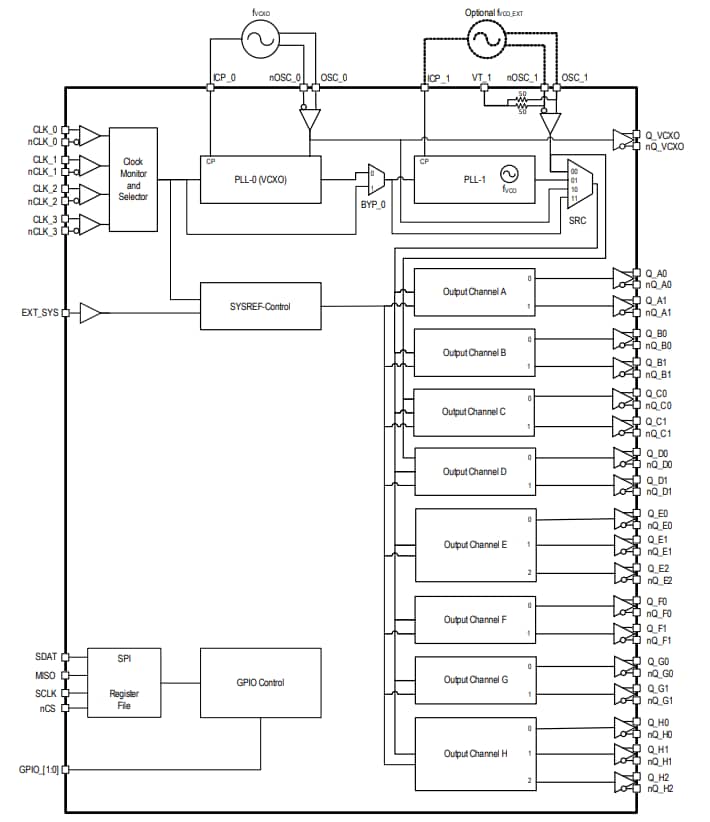
Il generatore di clock di campionamento RF 8V19N882 di Renesas Electronics e l'attenuatore jitter sono una soluzione di clock ad alte prestazioni per il condizionamento e la gestione della frequenza/fase delle schede delle apparecchiature radio della stazione base wireless. L'8V19N882 è ottimizzato per fornire eccellenti prestazioni di rumore di fase come richiesto in 4G, 5G e incluse implementazioni radio mmWave.Il generatore di clock di campionamento RF 8V19N882 e l'attenuatore di jitter di Renesas supportano JESD204B (sottoclasse 0 e 1) e JESD204C. Un'architettura PLL a due stadi fornisce attenuazione del jitter e moltiplicazione di frequenza. Il primo stadio PLL è l'attenuatore jitter e utilizza un VCXO esterno per le migliori caratteristiche di rumore di fase possibili. Nel secondo stadio, il PLL si blocca sul primo segnale di uscita PLL e sintetizza la frequenza target. Il secondo stadio PLL può utilizzare il VCO ad alta frequenza interno o esterno.
L'8V19N882 è configurato tramite un'interfaccia SPI a 3/4 fili e riferisce lo stato di blocco e perdita del segnale nei registri interni e attraverso le uscite GPIO[1:0]. I cambiamenti di bit di stato interni sono segnalati tramite un'uscita GPIO.
Caratteristiche
- Generatore di clock di campionamento RF ad alte prestazioni e attenuatore di jitter di clock con supporto per JESD204B/C
- Basso rumore di fase: -144,7 dBc/Hz (offset 800 kHz; 491,2 MHz)
- Rumore di fase integrato di 74 fs RMS (da 12 kHz a 20 MHz, 491,52 MHz)
- Architettura a doppio PLL con VCO esterno interno e opzionale
- Otto canali di uscita con un totale di 16 uscite
- Divisori di frequenza di clock interi configurabili
- Frequenze di uscita clock fino a 3932,16 MHz (VCO interno) e 6 GHz (VCO esterno opzionale)
- I/O differenziale a basso rumore
- Circuiti di ritardo di fase deterministici e di ritardo di fase integrati
- Architettura clock di ingresso ridondante con due ingressi e monitor, holdover e commutazione di ingresso
- Interfaccia di configurazione a 3/4 fili SPI
- Tensione di alimentazione da 1,8 V, 2,5 V e 3,3 V
- Package 76-VFQFN (9 mm × 9 mm)
- Intervallo di temperatura della scheda da -40 °C a +105 °C
Applicazioni
- Applicazioni per infrastrutture wireless: 4G, 5G e mmWave
- Acquisizione dati: circuiti ADC e DAC sensibili a jitter
- Radar, imaging, strumentazione e settore medico
Schema a blocchi semplificato
Diagramma a blocchi (fVCO = 3932,16 MHz)
