Qorvo Amplificatore CMD264P3 a basso rumore da 6 GHz a 18 GHz
L’amplificatore a basso rumore CMD264P3 da 6 GHz a 18 GHz Qorvo è un MMIC a banda larga alloggiato in un package a montaggio superficiale in plastica senza piombo 3 mm x 3 mm. Il CMD264P3 è ideale per i sistemi di comunicazione con dimensioni ridotte e basso consumo energetico. Il dispositivo a banda larga di Qorvo fornisce un guadagno superiore a 26 dB con un punto di compressione di uscita 1 dB corrispondente di +12 dBm e una cifra di rumore di 1,6 dB a 10 GHz. Il CMD264P3 è un dispositivo con adattamento a 50Ω, che elimina la necessità di blocchi CC esterni e di adattamento alle porte RF.Caratteristiche
- Cifra di rumore ultra-bassa
- Prestazioni a banda larga con guadagno elevato
- Tensione di alimentazione singola +3,0 V a 63 mA
- Senza piombo (conforme a RoHS)
- Package QFN 3 mm x 3 mm
Applicazioni
- Radar
- Banda C
- Banda X
- Banda Ku
- Elettronica militare (EW)
- Spazio
- Comunicazioni satellitari (Satcom)
- Matrici di fase
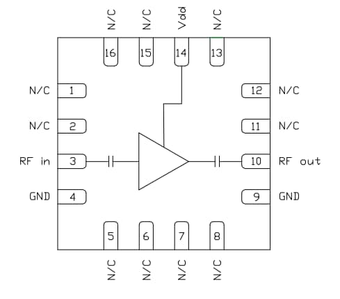
Schema a blocchi
Pubblicato: 2020-03-24
| Aggiornato: 2024-08-21
